ОСТ 1 10458-72 Конусы опорные

ОСТ 1 10458-72 конусы опорные

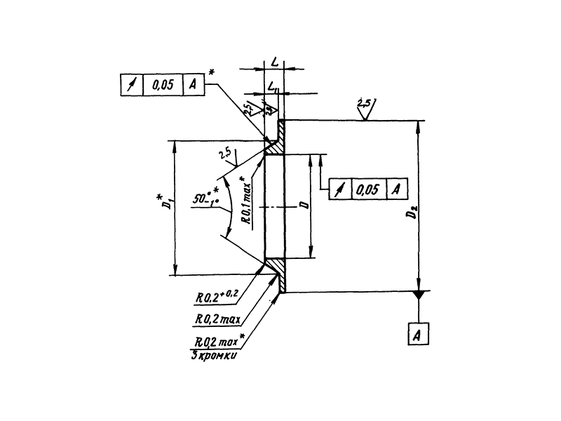
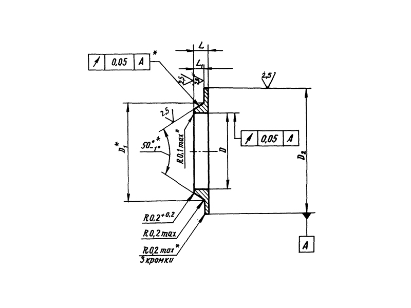
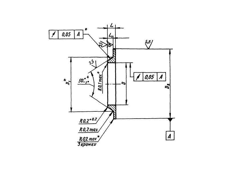
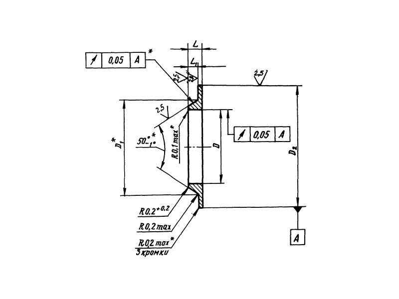
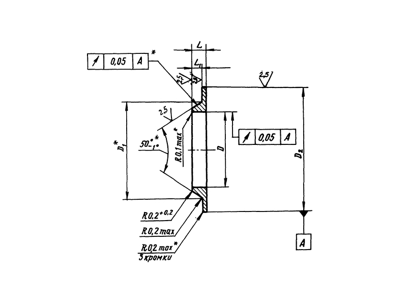
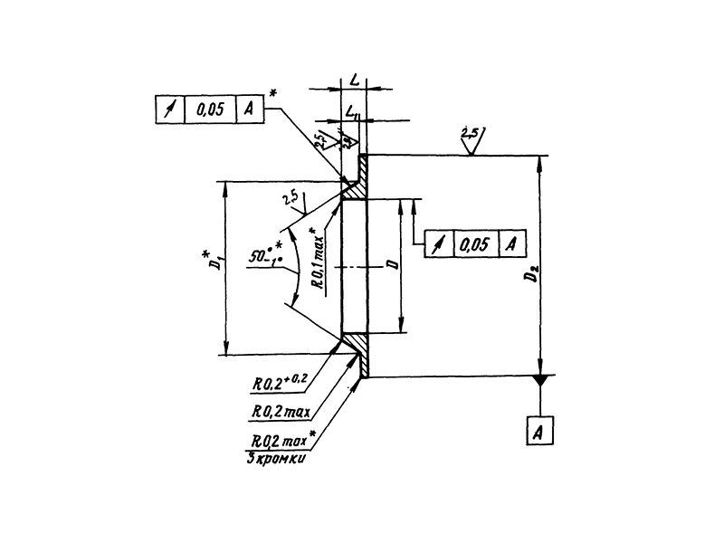
     Конусы опорные по ОСТ 1 10458-72 – это специальный крепеж, предназначенный для применения в уплотнительных радиальных устройствах.

 КОНСТРУКЦИЯ И ТЕХНИЧЕСКИЕ ОСОБЕННОСТИ

     Конструкция состоит из двух патрубков разного диаметра с отверстием.

     Материал изготовления: алюминиевый сплав марки АМг6 или АМц по ГОСТ 21488-76 или ГОСТ 18482-73.

     Материал покрытия: Ан.Окс.хр.

ОСТ 1 10458-72.pdf

Пример наименования и обозначения опорного конуса для уплотнения вала d=6 мм:

Конус 6-ОСТ 1 10458-72

Конус
Наименование метиза
6
Диаметр
ОСТ 1 10458-72
Нормативный документ

ПРИМЕНЕНИЕ

     Настоящий стандарт распространяется на опорные конуса для уплотнения вала.

АНАЛОГИ

ОСТ/ГОСТНормальНаименованиеТипоразмерНа складе
ОСТ 1 10458-72Конус6В наличии
ОСТ 1 10458-72Конус7В наличии
ОСТ 1 10458-72Конус8В наличии
ОСТ 1 10458-72Конус9В наличии
ОСТ 1 10458-72Конус10В наличии
ОСТ 1 10458-72Конус11В наличии
ОСТ 1 10458-72Конус12В наличии
ОСТ 1 10458-72Конус13В наличии
ОСТ 1 10458-72Конус14В наличии
ОСТ 1 10458-72Конус15В наличии
ОСТ 1 10458-72Конус16В наличии
ОСТ 1 10458-72Конус17В наличии
ОСТ 1 10458-72Конус18В наличии
ОСТ 1 10458-72Конус19В наличии
ОСТ 1 10458-72Конус20В наличии
ОСТ 1 10458-72Конус21В наличии
ОСТ 1 10458-72Конус22В наличии
ОСТ 1 10458-72Конус24В наличии
ОСТ 1 10458-72Конус25В наличии
ОСТ 1 10458-72Конус26В наличии
ОСТ 1 10458-72Конус28В наличии
ОСТ 1 10458-72Конус30В наличии
ОСТ 1 10458-72Конус32В наличии
ОСТ 1 10458-72Конус34В наличии
ОСТ 1 10458-72Конус35В наличии
ОСТ 1 10458-72Конус36В наличии
ОСТ 1 10458-72Конус38В наличии
ОСТ 1 10458-72Конус40В наличии
ОСТ 1 10458-72Конус42В наличии
ОСТ 1 10458-72Конус45В наличии
ОСТ 1 10458-72Конус48В наличии
ОСТ 1 10458-72Конус50В наличии

Для изготовителей и поставщиков: Добавить мои товары в базу

Для покупателей: Подать заявку на покупку

НаименованиеТипоразмерМатериалКоличество, штВес, кг
Конус ОСТ 1 10458-72
О

ОСТ 1 30055-84 Накатка кольцевая стержней болт-заклепок из титанового сплава

ОСТ 1 31076-80 Маркировка крепежных изделий взамен НОРМАЛЬ 176АТ

ОСТ 1 31076-80: Маркировка крепежных изделий (взамен НОРМАЛЬ 176АТ)

ОСТ 1 38016-80 Футорки

ОСТ 1 38020-82 Втулки

ОСТ 1 39502-77 Стопорение болтов, винтов, шпилек, штифтов и гаек

ОСТ 1 39503-77 Длины болтов и винтов

ОСТ 1 39504-79 Головки шестигранные болтов и винтов

ОСТ 1 41471-79 Формообразование концов труб тяг управления из сплава Д16Т. Типовой технологический процесс

ОСТ 1 51730-79 Оснастка для формообразования концов труб тяг управления из сплава Д16Т

ОСТ 1 51731-79 Оснастка для формообразования концов труб тяг управления из сплава Д16Т

ОСТ 1.41001-79 Диаметры отверстий под нарезание резьбы метрической по нормали 754АТ

ОСТ 1.41002-79 Диаметры стержней под нарезание резьбы метрической по нормали 754АТ и ОСТ 1.00039-73

ОСТ 92-0762-72 Болты, винты из титановых сплавов

ОСТ 92-0912-69 Детали из высокопрочных углеродистых легированных и высоколегированных сталей. ОСТ 92-0912-69

ОСТ 92-1130-85 Детали стальные точные

ОСТ 92-1179-77 Детали и сборочные единицы из сталей марок 07Х16Н6 и 08Х17Н5М3

ОСТ 92-8653-75 по ОСТ 92-8674-75 Соединения трубопроводов по внутреннему конусу

ОСТ 92-8843-77 Крепежные детали повышенного качества

ОСТ-1-33102-80 Взамен нормали 102АТУ Гайки ОСТ-1-33102-80

Отраслевая нормаль 214АТ В замен нормали 214МТ55 метрическая резьбой со свободной посадкой

Отраслевая нормаль 714М55 pdf Кольца плоские ,стопорные технические условия

Отраслевая нормаль авиационной техники 101АТУ Взамен 201СТУ51

Отраслевая нормаль авиационной техники. Нормаль 722АТ.

Р

РЕЗЬБА МЕТРИЧЕСКАЯ

Резьба метрическая усиленная тугой посадкой сталь в алюминиевые и магниевые сплавы. Нормаль 254АТ взамен нормальный 154МТ46

Резьба метрическая. Основные размеры и допуски. Отраслевая нормаль 257АТ взамен 57АТ50 взамен 153МТ54.

РЕЗЬБА ТРАПЕЦЕИДАЛЬНАЯ

РЕЗЬБА ТРУБНАЯ ЦИЛИНДРИЧЕСКАЯ

РЕЗЬБА УПОРНАЯ

Резьба усиленная метрическая тугой посадкой сталь сталь система вала настоящая норма распространяется на резьбу усиленную метрическую тугой посадкой для сопрягаемых материалов сталь в сталь. Нормаль 122МТ53 взамен нормали 122МТ51

Резьба усиленная метрическая тугой посадкой сталь сталь система вала настоящая норма распространяется на резьбу усиленную метрическую тугой посадкой для сопрягаемых материалов сталь в сталь. Нормаль 122МТ53 взамен нормали 122МТ51

Резьбовые соединения. Резьба метрическая с натягом по посадкам 2Н5Д и 2Н5С Отраслевой стандарт ОСТ 1 04065–92

Оформите заказ или получите консультацию