ОСТ 1 34006-78 Заклепки полупустотелые с потайной головкой углом 120 градусов для композиционных материалов

ОСТ 1 34006-78 заклепки полупустотелые с потайной головкой углом 120 градусов для композиционных материалов

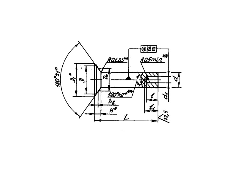
     Заклепки полупустотелые по ОСТ 1 34006-78 – это специальный крепеж, предназначенные для двухсторонней потайной клепки конструкций с применением композиционных материалов в тех случаях, когда исключена возможность сборки конструкций обычными заклепками раскаткой по действующему в отрасли документу.

КОНСТРУКЦИЯ И ТЕХНИЧЕСКИЕ ОСОБЕННОСТИ

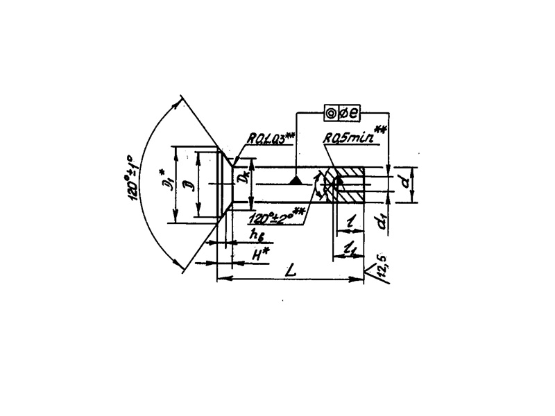
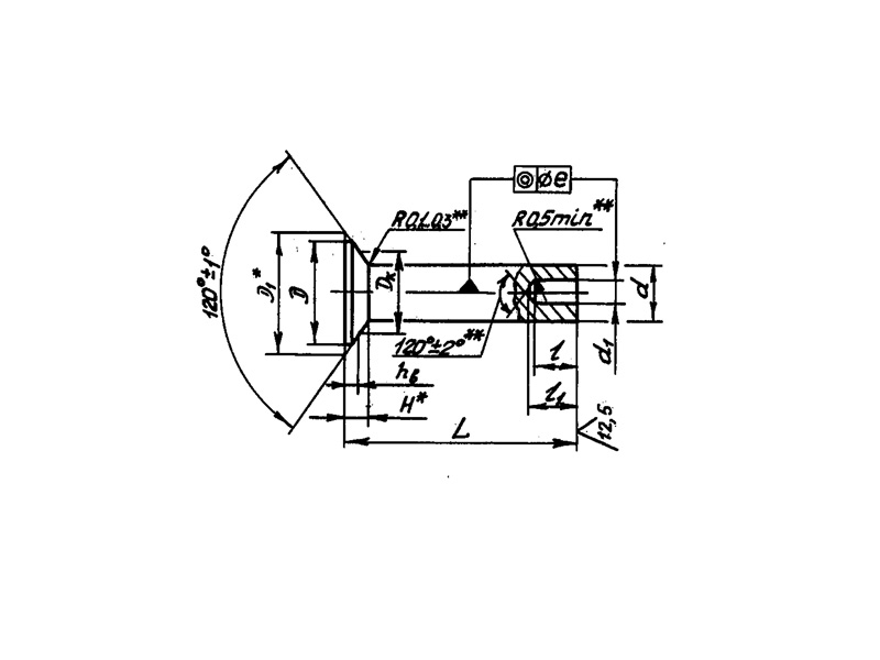
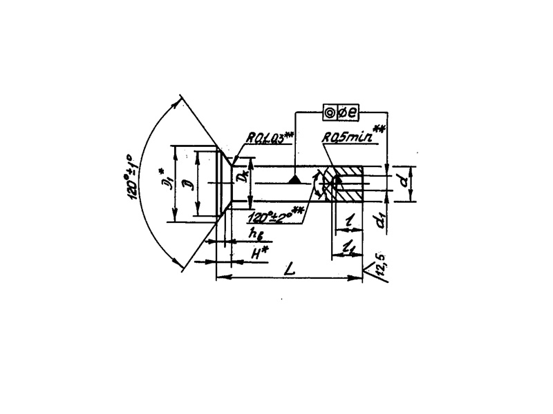
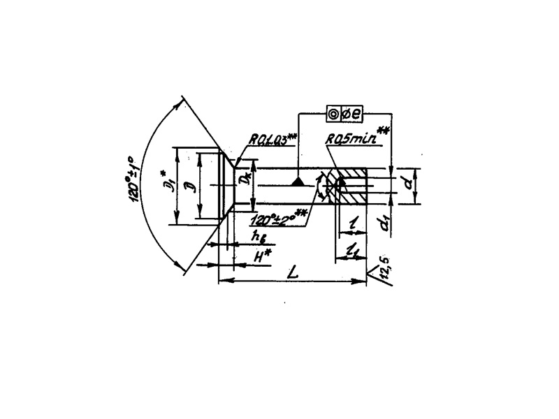
     Конструкция заклёпки состоит из полупустотелого стержня и потайной головки.

     Материал изготовления: сталь.

     Материал покрытия: Кд9.фос.окс.хр, Ц9.фос.окс.хр.

ОСТ 1 34006-78.pdf

Пример наименования и обозначения полупустотелой заклепки с потайной головкой углом 120 градусов для композиционных материалов диаметром d=3 мм и длиной L=12 мм из стали, кадмированной:

Заклепка 3-12-Кд-ОСТ 1 34006-78

Заклепка
Наименование метиза
3
Диаметр
12
Длина
Кд
Материал покрытия
ОСТ 1 34006-78
Нормативно-технический документ

То же, из стали, цинкованной:

Заклепка 3-12-Ц-ОСТ 1 34006-78

Заклепка
Наименование метиза
3
Диаметр
12
Длина
Ц
Материал покрытия
ОСТ 1 34006-78
Нормативно-технический документ

ПРИМЕНЕНИЕ

     Данные заклепки используются во многих отраслях промышленности.

АНАЛОГИ

ОСТ/ГОСТНормальНаименованиеТипоразмерНа складе
ОСТ 1 34006-78Заклепка3х5В наличии
ОСТ 1 34006-78Заклепка3х6В наличии
ОСТ 1 34006-78Заклепка3х7В наличии
ОСТ 1 34006-78Заклепка3х8В наличии
ОСТ 1 34006-78Заклепка3х9В наличии
ОСТ 1 34006-78Заклепка3х10В наличии
ОСТ 1 34006-78Заклепка3х11В наличии
ОСТ 1 34006-78Заклепка3х12В наличии
ОСТ 1 34006-78Заклепка3х13В наличии
ОСТ 1 34006-78Заклепка3,5х6В наличии
ОСТ 1 34006-78Заклепка3,5х7В наличии
ОСТ 1 34006-78Заклепка3,5х8В наличии
ОСТ 1 34006-78Заклепка3,5х9В наличии
ОСТ 1 34006-78Заклепка3,5х10В наличии
ОСТ 1 34006-78Заклепка3,5х11В наличии
ОСТ 1 34006-78Заклепка3,5х12В наличии
ОСТ 1 34006-78Заклепка3,5х13В наличии
ОСТ 1 34006-78Заклепка3,5х14В наличии
ОСТ 1 34006-78Заклепка3,5х15В наличии
ОСТ 1 34006-78Заклепка3,5х16В наличии
ОСТ 1 34006-78Заклепка3,5х17В наличии
ОСТ 1 34006-78Заклепка3,5х18В наличии
ОСТ 1 34006-78Заклепка3,5х19В наличии
ОСТ 1 34006-78Заклепка3,5х20В наличии
ОСТ 1 34006-78Заклепка3,5х22В наличии
ОСТ 1 34006-78Заклепка3,5х24В наличии
ОСТ 1 34006-78Заклепка4х7В наличии
ОСТ 1 34006-78Заклепка4х8В наличии
ОСТ 1 34006-78Заклепка4х9В наличии
ОСТ 1 34006-78Заклепка4х10В наличии
ОСТ 1 34006-78Заклепка4х11В наличии
ОСТ 1 34006-78Заклепка4х12В наличии
ОСТ 1 34006-78Заклепка4х13В наличии
ОСТ 1 34006-78Заклепка4х14В наличии
ОСТ 1 34006-78Заклепка4х15В наличии
ОСТ 1 34006-78Заклепка4х16В наличии
ОСТ 1 34006-78Заклепка4х17В наличии
ОСТ 1 34006-78Заклепка4х18В наличии
ОСТ 1 34006-78Заклепка4х19В наличии
ОСТ 1 34006-78Заклепка4х20В наличии
ОСТ 1 34006-78Заклепка4х22В наличии
ОСТ 1 34006-78Заклепка4х24В наличии
ОСТ 1 34006-78Заклепка5х8В наличии
ОСТ 1 34006-78Заклепка5х9В наличии
ОСТ 1 34006-78Заклепка5х10В наличии
ОСТ 1 34006-78Заклепка5х11В наличии
ОСТ 1 34006-78Заклепка5х12В наличии
ОСТ 1 34006-78Заклепка5х13В наличии
ОСТ 1 34006-78Заклепка5х14В наличии
ОСТ 1 34006-78Заклепка5х15В наличии
ОСТ 1 34006-78Заклепка5х16В наличии
ОСТ 1 34006-78Заклепка5х17В наличии
ОСТ 1 34006-78Заклепка5х18В наличии
ОСТ 1 34006-78Заклепка5х19В наличии
ОСТ 1 34006-78Заклепка5х20В наличии
ОСТ 1 34006-78Заклепка5х22В наличии
ОСТ 1 34006-78Заклепка5х24В наличии

Для изготовителей и поставщиков: Добавить мои товары в базу

Для покупателей: Подать заявку на покупку

НаименованиеТипоразмерМатериалКоличество, штВес, кг
Заклепка ОСТ 1 34006-78
О

ОСТ 1 30055-84 Накатка кольцевая стержней болт-заклепок из титанового сплава

ОСТ 1 31076-80 Маркировка крепежных изделий взамен НОРМАЛЬ 176АТ

ОСТ 1 31076-80: Маркировка крепежных изделий (взамен НОРМАЛЬ 176АТ)

ОСТ 1 38016-80 Футорки

ОСТ 1 38020-82 Втулки

ОСТ 1 39502-77 Стопорение болтов, винтов, шпилек, штифтов и гаек

ОСТ 1 39503-77 Длины болтов и винтов

ОСТ 1 39504-79 Головки шестигранные болтов и винтов

ОСТ 1 41471-79 Формообразование концов труб тяг управления из сплава Д16Т. Типовой технологический процесс

ОСТ 1 51730-79 Оснастка для формообразования концов труб тяг управления из сплава Д16Т

ОСТ 1 51731-79 Оснастка для формообразования концов труб тяг управления из сплава Д16Т

ОСТ 1.41001-79 Диаметры отверстий под нарезание резьбы метрической по нормали 754АТ

ОСТ 1.41002-79 Диаметры стержней под нарезание резьбы метрической по нормали 754АТ и ОСТ 1.00039-73

ОСТ 92-0762-72 Болты, винты из титановых сплавов

ОСТ 92-0912-69 Детали из высокопрочных углеродистых легированных и высоколегированных сталей. ОСТ 92-0912-69

ОСТ 92-1130-85 Детали стальные точные

ОСТ 92-1179-77 Детали и сборочные единицы из сталей марок 07Х16Н6 и 08Х17Н5М3

ОСТ 92-8653-75 по ОСТ 92-8674-75 Соединения трубопроводов по внутреннему конусу

ОСТ 92-8843-77 Крепежные детали повышенного качества

ОСТ-1-33102-80 Взамен нормали 102АТУ Гайки ОСТ-1-33102-80

Отраслевая нормаль 214АТ В замен нормали 214МТ55 метрическая резьбой со свободной посадкой

Отраслевая нормаль 714М55 pdf Кольца плоские ,стопорные технические условия

Отраслевая нормаль авиационной техники 101АТУ Взамен 201СТУ51

Отраслевая нормаль авиационной техники. Нормаль 722АТ.

Р

РЕЗЬБА МЕТРИЧЕСКАЯ

Резьба метрическая усиленная тугой посадкой сталь в алюминиевые и магниевые сплавы. Нормаль 254АТ взамен нормальный 154МТ46

Резьба метрическая. Основные размеры и допуски. Отраслевая нормаль 257АТ взамен 57АТ50 взамен 153МТ54.

РЕЗЬБА ТРАПЕЦЕИДАЛЬНАЯ

РЕЗЬБА ТРУБНАЯ ЦИЛИНДРИЧЕСКАЯ

РЕЗЬБА УПОРНАЯ

Резьба усиленная метрическая тугой посадкой сталь сталь система вала настоящая норма распространяется на резьбу усиленную метрическую тугой посадкой для сопрягаемых материалов сталь в сталь. Нормаль 122МТ53 взамен нормали 122МТ51

Резьба усиленная метрическая тугой посадкой сталь сталь система вала настоящая норма распространяется на резьбу усиленную метрическую тугой посадкой для сопрягаемых материалов сталь в сталь. Нормаль 122МТ53 взамен нормали 122МТ51

Резьбовые соединения. Резьба метрическая с натягом по посадкам 2Н5Д и 2Н5С Отраслевой стандарт ОСТ 1 04065–92

Оформите заказ или получите консультацию