Нормаль 5832А Наконечники широкие

нОрмаль 5832а наконечники широкие

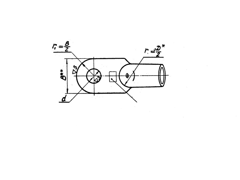
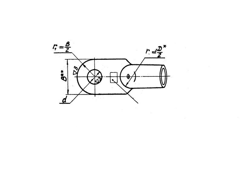
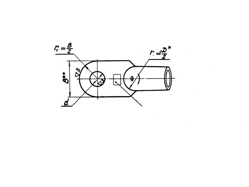
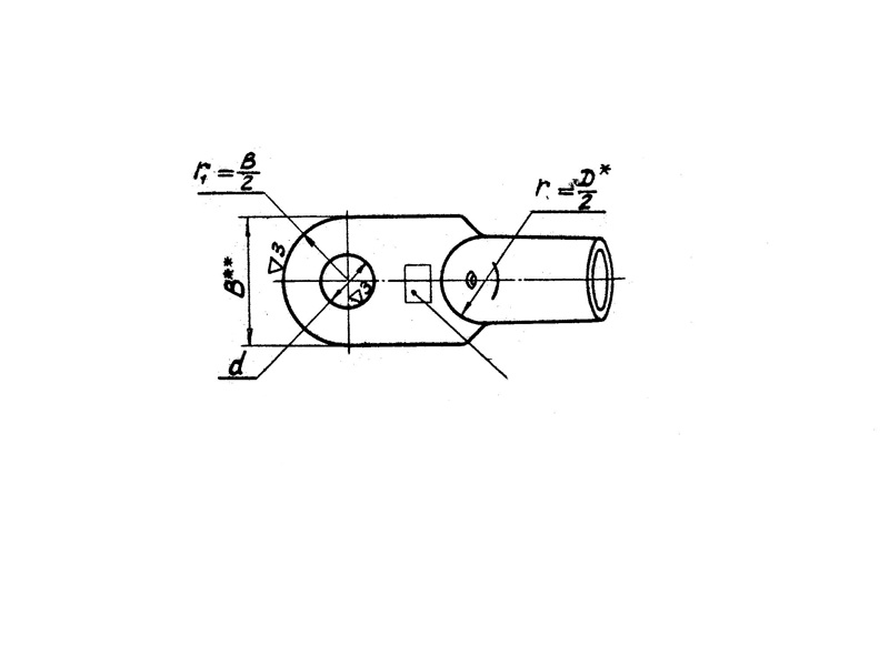
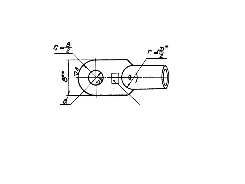
     Наконечники широкие по нормали 5832А – это универсальный соединитель, так как закрепляется на электропроводе специальными клещами.

КОНСТРУКЦИЯ И ТЕХНИЧЕСКИЕ ОСОБЕННОСТИ

     Конструкция наконечника состоит из металлической пластины с отверстием.

     Материал изготовления: труба медная М3М.

     Материал покрытия: О3-6опл; Ср9.

5832А.pdf

Пример наконечника № 43 исполнения 1 луженого:

5832А-43-1

Наконечник
Наименование метизамммм
43
Типоразмер
1
Исполнение
Нормаль 5832А
Нормативно-технический документ

То же, серебреного:

5832А-43-1-Ср

Наконечник
Наименование метизамммм
43
Типоразмер
1
Исполнение
Ср
Материал покрытия
Нормаль 5832А
Нормативно-технический документ

ПРИМЕНЕНИЕ

     Данные наконечники применяются во многих отраслях промышленности.

АНАЛОГИ

ОСТ/ГОСТНормальНаименованиеТипоразмерНа складе
5832АНаконечник1В наличии
5832АНаконечник2В наличии
5832АНаконечник3В наличии
5832АНаконечник4В наличии
5832АНаконечник5В наличии
5832АНаконечник6В наличии
5832АНаконечник7В наличии
5832АНаконечник8В наличии
5832АНаконечник9В наличии
5832АНаконечник10В наличии
5832АНаконечник11В наличии
5832АНаконечник12В наличии
5832АНаконечник13В наличии
5832АНаконечник14В наличии
5832АНаконечник15В наличии
5832АНаконечник16В наличии
5832АНаконечник17В наличии
5832АНаконечник18В наличии
5832АНаконечник19В наличии
5832АНаконечник20В наличии
5832АНаконечник21В наличии
5832АНаконечник22В наличии
5832АНаконечник23В наличии
5832АНаконечник24В наличии
5832АНаконечник25В наличии
5832АНаконечник26В наличии
5832АНаконечник27В наличии
5832АНаконечник28В наличии
5832АНаконечник29В наличии
5832АНаконечник30В наличии
5832АНаконечник31В наличии
5832АНаконечник32В наличии
5832АНаконечник33В наличии
5832АНаконечник34В наличии
5832АНаконечник35В наличии
5832АНаконечник36В наличии
5832АНаконечник37В наличии
5832АНаконечник38В наличии
5832АНаконечник39В наличии
5832АНаконечник40В наличии
5832АНаконечник41В наличии
5832АНаконечник42В наличии
5832АНаконечник43В наличии
5832АНаконечник44В наличии
5832АНаконечник45В наличии
5832АНаконечник46В наличии
5832АНаконечник47В наличии
5832АНаконечник48В наличии
5832АНаконечник49В наличии
5832АНаконечник50В наличии
5832АНаконечник51В наличии
5832АНаконечник52В наличии
5832АНаконечник53В наличии
5832АНаконечник54В наличии
5832АНаконечник55В наличии
5832АНаконечник56В наличии
5832АНаконечник57В наличии
5832АНаконечник58В наличии
5832АНаконечник59В наличии

Для изготовителей и поставщиков: Добавить мои товары в базу

Для покупателей: Подать заявку на покупку

НаименованиеТипоразмерМатериалКоличество, штВес, кг
Наконечник 5832А
О

ОСТ 1 30055-84 Накатка кольцевая стержней болт-заклепок из титанового сплава

ОСТ 1 31076-80 Маркировка крепежных изделий взамен НОРМАЛЬ 176АТ

ОСТ 1 31076-80: Маркировка крепежных изделий (взамен НОРМАЛЬ 176АТ)

ОСТ 1 38016-80 Футорки

ОСТ 1 38020-82 Втулки

ОСТ 1 39502-77 Стопорение болтов, винтов, шпилек, штифтов и гаек

ОСТ 1 39503-77 Длины болтов и винтов

ОСТ 1 39504-79 Головки шестигранные болтов и винтов

ОСТ 1 41471-79 Формообразование концов труб тяг управления из сплава Д16Т. Типовой технологический процесс

ОСТ 1 51730-79 Оснастка для формообразования концов труб тяг управления из сплава Д16Т

ОСТ 1 51731-79 Оснастка для формообразования концов труб тяг управления из сплава Д16Т

ОСТ 1.41001-79 Диаметры отверстий под нарезание резьбы метрической по нормали 754АТ

ОСТ 1.41002-79 Диаметры стержней под нарезание резьбы метрической по нормали 754АТ и ОСТ 1.00039-73

ОСТ 92-0762-72 Болты, винты из титановых сплавов

ОСТ 92-0912-69 Детали из высокопрочных углеродистых легированных и высоколегированных сталей. ОСТ 92-0912-69

ОСТ 92-1130-85 Детали стальные точные

ОСТ 92-1179-77 Детали и сборочные единицы из сталей марок 07Х16Н6 и 08Х17Н5М3

ОСТ 92-8653-75 по ОСТ 92-8674-75 Соединения трубопроводов по внутреннему конусу

ОСТ 92-8843-77 Крепежные детали повышенного качества

ОСТ-1-33102-80 Взамен нормали 102АТУ Гайки ОСТ-1-33102-80

Отраслевая нормаль 214АТ В замен нормали 214МТ55 метрическая резьбой со свободной посадкой

Отраслевая нормаль 714М55 pdf Кольца плоские ,стопорные технические условия

Отраслевая нормаль авиационной техники 101АТУ Взамен 201СТУ51

Отраслевая нормаль авиационной техники. Нормаль 722АТ.

Р

РЕЗЬБА МЕТРИЧЕСКАЯ

Резьба метрическая усиленная тугой посадкой сталь в алюминиевые и магниевые сплавы. Нормаль 254АТ взамен нормальный 154МТ46

Резьба метрическая. Основные размеры и допуски. Отраслевая нормаль 257АТ взамен 57АТ50 взамен 153МТ54.

РЕЗЬБА ТРАПЕЦЕИДАЛЬНАЯ

РЕЗЬБА ТРУБНАЯ ЦИЛИНДРИЧЕСКАЯ

РЕЗЬБА УПОРНАЯ

Резьба усиленная метрическая тугой посадкой сталь сталь система вала настоящая норма распространяется на резьбу усиленную метрическую тугой посадкой для сопрягаемых материалов сталь в сталь. Нормаль 122МТ53 взамен нормали 122МТ51

Резьба усиленная метрическая тугой посадкой сталь сталь система вала настоящая норма распространяется на резьбу усиленную метрическую тугой посадкой для сопрягаемых материалов сталь в сталь. Нормаль 122МТ53 взамен нормали 122МТ51

Резьбовые соединения. Резьба метрическая с натягом по посадкам 2Н5Д и 2Н5С Отраслевой стандарт ОСТ 1 04065–92

Оформите заказ или получите консультацию