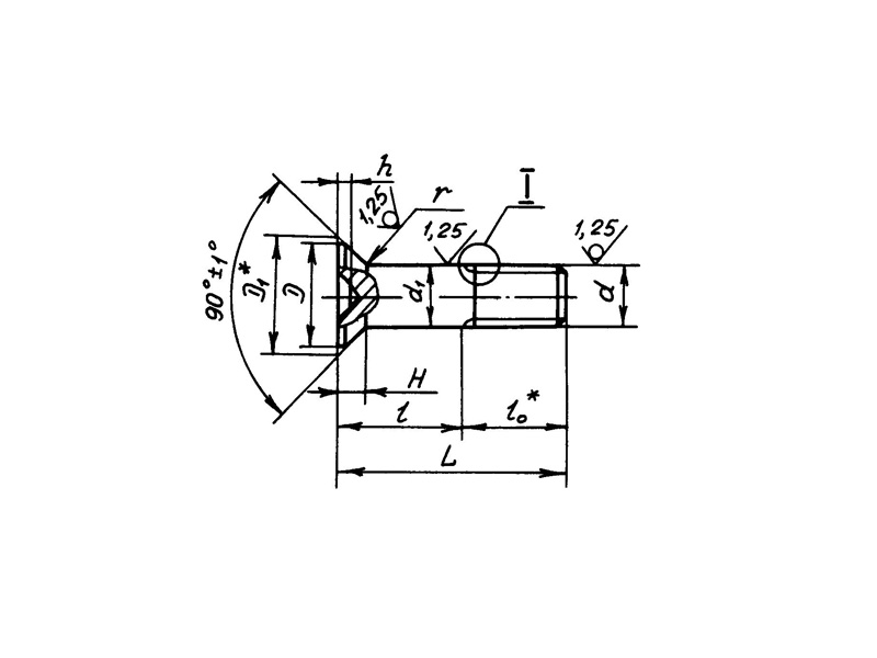
Ост 1 11910-74 болты с уменьшенной потайной головкой углом 90 градусов, с полем допуска диаметра стержня u8 из титанового сплава
Болты по ОСТ 1 11910-74 – это специальный крепеж, предназначенный для эксплуатации в соединениях, работающих на срез.
КОНСТРУКЦИЯ И ТЕХНИЧЕСКИЕ ОСОБЕННОСТИ
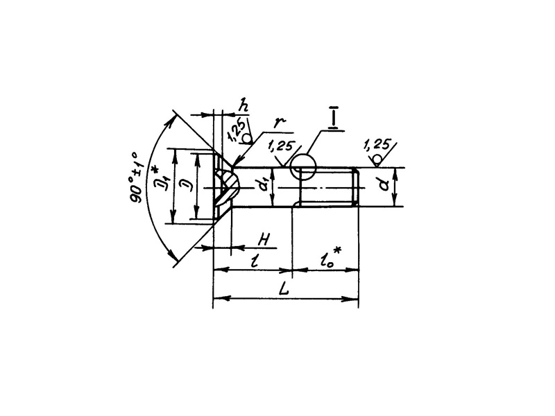
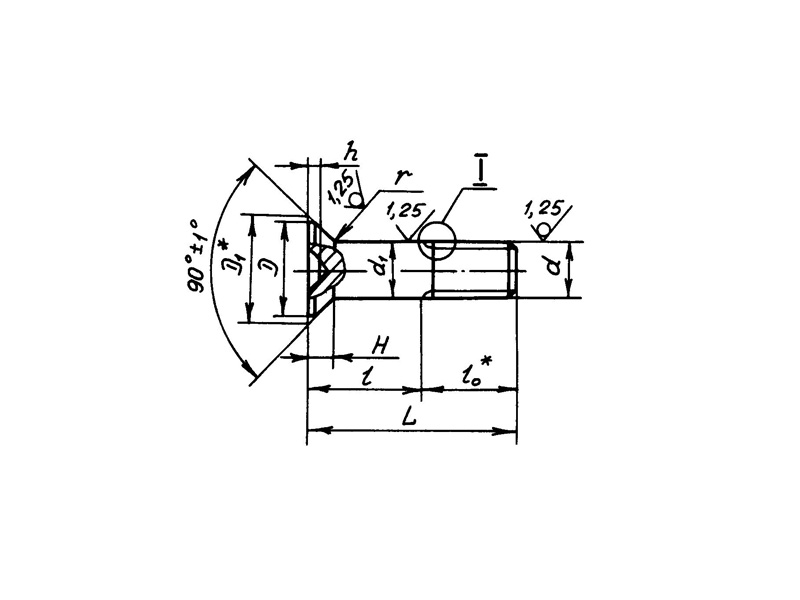
Конструкция болта состоит из уменьшенной потайной головкой и цилиндрического стержня с резьбой.
Материал изготовления: титановый сплав ВТ16.
Материал покрытия: Ан.Окс 2-3.
Пример наименования и обозначения болта с уменьшенной потайной головкой углом 90 градусов, с полем допуска диаметра стержня u8, из титанового сплава, с резьбой М6 и длиной L=24мм, анодированного:
Болт 6-24-Ан.Окс-ОСТ 1 11910-74
ПРИМЕНЕНИЕ
Данные болты используются во многих отраслях промышленности.
АНАЛОГИ
| ОСТ/ГОСТ | Нормаль | Наименование | Типоразмер | На складе |
| ОСТ 1 11910-74 | Болт | 5х12 | В наличии | |
| ОСТ 1 11910-74 | Болт | 5х13 | В наличии | |
| ОСТ 1 11910-74 | Болт | 5х14 | В наличии | |
| ОСТ 1 11910-74 | Болт | 5х15 | В наличии | |
| ОСТ 1 11910-74 | Болт | 5х16 | В наличии | |
| ОСТ 1 11910-74 | Болт | 5х17 | В наличии | |
| ОСТ 1 11910-74 | Болт | 5х18 | В наличии | |
| ОСТ 1 11910-74 | Болт | 5х19 | В наличии | |
| ОСТ 1 11910-74 | Болт | 5х20 | В наличии | |
| ОСТ 1 11910-74 | Болт | 5х21 | В наличии | |
| ОСТ 1 11910-74 | Болт | 5х22 | В наличии | |
| ОСТ 1 11910-74 | Болт | 5х23 | В наличии | |
| ОСТ 1 11910-74 | Болт | 5х24 | В наличии | |
| ОСТ 1 11910-74 | Болт | 5х25 | В наличии | |
| ОСТ 1 11910-74 | Болт | 5х26 | В наличии | |
| ОСТ 1 11910-74 | Болт | 5х27 | В наличии | |
| ОСТ 1 11910-74 | Болт | 5х28 | В наличии | |
| ОСТ 1 11910-74 | Болт | 5х29 | В наличии | |
| ОСТ 1 11910-74 | Болт | 5х30 | В наличии | |
| ОСТ 1 11910-74 | Болт | 5х31 | В наличии | |
| ОСТ 1 11910-74 | Болт | 5х32 | В наличии | |
| ОСТ 1 11910-74 | Болт | 5х33 | В наличии | |
| ОСТ 1 11910-74 | Болт | 5х34 | В наличии | |
| ОСТ 1 11910-74 | Болт | 5х35 | В наличии | |
| ОСТ 1 11910-74 | Болт | 5х36 | В наличии | |
| ОСТ 1 11910-74 | Болт | 5х37 | В наличии | |
| ОСТ 1 11910-74 | Болт | 5х38 | В наличии | |
| ОСТ 1 11910-74 | Болт | 5х39 | В наличии | |
| ОСТ 1 11910-74 | Болт | 5х40 | В наличии | |
| ОСТ 1 11910-74 | Болт | 5х42 | В наличии | |
| ОСТ 1 11910-74 | Болт | 5х44 | В наличии | |
| ОСТ 1 11910-74 | Болт | 5х46 | В наличии | |
| ОСТ 1 11910-74 | Болт | 5х48 | В наличии | |
| ОСТ 1 11910-74 | Болт | 5х50 | В наличии | |
| ОСТ 1 11910-74 | Болт | 6х14 | В наличии | |
| ОСТ 1 11910-74 | Болт | 6х15 | В наличии | |
| ОСТ 1 11910-74 | Болт | 6х16 | В наличии | |
| ОСТ 1 11910-74 | Болт | 6х17 | В наличии | |
| ОСТ 1 11910-74 | Болт | 6х18 | В наличии | |
| ОСТ 1 11910-74 | Болт | 6х19 | В наличии | |
| ОСТ 1 11910-74 | Болт | 6х20 | В наличии | |
| ОСТ 1 11910-74 | Болт | 6х21 | В наличии | |
| ОСТ 1 11910-74 | Болт | 6х22 | В наличии | |
| ОСТ 1 11910-74 | Болт | 6х23 | В наличии | |
| ОСТ 1 11910-74 | Болт | 6х24 | В наличии | |
| ОСТ 1 11910-74 | Болт | 6х25 | В наличии | |
| ОСТ 1 11910-74 | Болт | 6х26 | В наличии | |
| ОСТ 1 11910-74 | Болт | 6х27 | В наличии | |
| ОСТ 1 11910-74 | Болт | 6х28 | В наличии | |
| ОСТ 1 11910-74 | Болт | 6х29 | В наличии | |
| ОСТ 1 11910-74 | Болт | 6х30 | В наличии | |
| ОСТ 1 11910-74 | Болт | 6х31 | В наличии | |
| ОСТ 1 11910-74 | Болт | 6х32 | В наличии | |
| ОСТ 1 11910-74 | Болт | 6х33 | В наличии | |
| ОСТ 1 11910-74 | Болт | 6х34 | В наличии | |
| ОСТ 1 11910-74 | Болт | 6х35 | В наличии | |
| ОСТ 1 11910-74 | Болт | 6х36 | В наличии | |
| ОСТ 1 11910-74 | Болт | 6х37 | В наличии | |
| ОСТ 1 11910-74 | Болт | 6х38 | В наличии | |
| ОСТ 1 11910-74 | Болт | 6х39 | В наличии | |
| ОСТ 1 11910-74 | Болт | 6х40 | В наличии | |
| ОСТ 1 11910-74 | Болт | 6х42 | В наличии | |
| ОСТ 1 11910-74 | Болт | 6х44 | В наличии | |
| ОСТ 1 11910-74 | Болт | 6х46 | В наличии | |
| ОСТ 1 11910-74 | Болт | 6х48 | В наличии | |
| ОСТ 1 11910-74 | Болт | 6х50 | В наличии | |
| ОСТ 1 11910-74 | Болт | 6х52 | В наличии | |
| ОСТ 1 11910-74 | Болт | 6х54 | В наличии | |
| ОСТ 1 11910-74 | Болт | 6х56 | В наличии | |
| ОСТ 1 11910-74 | Болт | 6х58 | В наличии | |
| ОСТ 1 11910-74 | Болт | 6х60 | В наличии | |
| ОСТ 1 11910-74 | Болт | 8х16 | В наличии | |
| ОСТ 1 11910-74 | Болт | 8х17 | В наличии | |
| ОСТ 1 11910-74 | Болт | 8х18 | В наличии | |
| ОСТ 1 11910-74 | Болт | 8х19 | В наличии | |
| ОСТ 1 11910-74 | Болт | 8х20 | В наличии | |
| ОСТ 1 11910-74 | Болт | 8х21 | В наличии | |
| ОСТ 1 11910-74 | Болт | 8х22 | В наличии | |
| ОСТ 1 11910-74 | Болт | 8х23 | В наличии | |
| ОСТ 1 11910-74 | Болт | 8х24 | В наличии | |
| ОСТ 1 11910-74 | Болт | 8х25 | В наличии | |
| ОСТ 1 11910-74 | Болт | 8х26 | В наличии | |
| ОСТ 1 11910-74 | Болт | 8х27 | В наличии | |
| ОСТ 1 11910-74 | Болт | 8х28 | В наличии | |
| ОСТ 1 11910-74 | Болт | 8х29 | В наличии | |
| ОСТ 1 11910-74 | Болт | 8х30 | В наличии | |
| ОСТ 1 11910-74 | Болт | 8х31 | В наличии | |
| ОСТ 1 11910-74 | Болт | 8х32 | В наличии | |
| ОСТ 1 11910-74 | Болт | 8х33 | В наличии | |
| ОСТ 1 11910-74 | Болт | 8х34 | В наличии | |
| ОСТ 1 11910-74 | Болт | 8х35 | В наличии | |
| ОСТ 1 11910-74 | Болт | 8х36 | В наличии | |
| ОСТ 1 11910-74 | Болт | 8х37 | В наличии | |
| ОСТ 1 11910-74 | Болт | 8х38 | В наличии | |
| ОСТ 1 11910-74 | Болт | 8х39 | В наличии | |
| ОСТ 1 11910-74 | Болт | 8х40 | В наличии | |
| ОСТ 1 11910-74 | Болт | 8х42 | В наличии | |
| ОСТ 1 11910-74 | Болт | 8х44 | В наличии | |
| ОСТ 1 11910-74 | Болт | 8х46 | В наличии | |
| ОСТ 1 11910-74 | Болт | 8х48 | В наличии | |
| ОСТ 1 11910-74 | Болт | 8х50 | В наличии | |
| ОСТ 1 11910-74 | Болт | 8х52 | В наличии | |
| ОСТ 1 11910-74 | Болт | 8х54 | В наличии | |
| ОСТ 1 11910-74 | Болт | 8х56 | В наличии | |
| ОСТ 1 11910-74 | Болт | 8х58 | В наличии | |
| ОСТ 1 11910-74 | Болт | 8х60 | В наличии | |
| ОСТ 1 11910-74 | Болт | 8х62 | В наличии | |
| ОСТ 1 11910-74 | Болт | 8х64 | В наличии | |
| ОСТ 1 11910-74 | Болт | 8х66 | В наличии | |
| ОСТ 1 11910-74 | Болт | 8х68 | В наличии | |
| ОСТ 1 11910-74 | Болт | 8х70 | В наличии | |
| ОСТ 1 11910-74 | Болт | 8х72 | В наличии | |
| ОСТ 1 11910-74 | Болт | 8х74 | В наличии | |
| ОСТ 1 11910-74 | Болт | 8х76 | В наличии | |
| ОСТ 1 11910-74 | Болт | 8х78 | В наличии | |
| ОСТ 1 11910-74 | Болт | 8х80 | В наличии |
Для изготовителей и поставщиков: Добавить мои товары в базу
Для покупателей: Подать заявку на покупку
| Наименование | Типоразмер | Материал | Количество, шт | Вес, кг |
| Болт ОСТ 1 11910-74 |
ОСТ 1 30055-84 Накатка кольцевая стержней болт-заклепок из титанового сплава
ОСТ 1 31076-80 Маркировка крепежных изделий взамен НОРМАЛЬ 176АТ
ОСТ 1 31076-80: Маркировка крепежных изделий (взамен НОРМАЛЬ 176АТ)
ОСТ 1 39502-77 Стопорение болтов, винтов, шпилек, штифтов и гаек
ОСТ 1 39503-77 Длины болтов и винтов
ОСТ 1 39504-79 Головки шестигранные болтов и винтов
ОСТ 1 51730-79 Оснастка для формообразования концов труб тяг управления из сплава Д16Т
ОСТ 1 51731-79 Оснастка для формообразования концов труб тяг управления из сплава Д16Т
ОСТ 1.41001-79 Диаметры отверстий под нарезание резьбы метрической по нормали 754АТ
ОСТ 1.41002-79 Диаметры стержней под нарезание резьбы метрической по нормали 754АТ и ОСТ 1.00039-73
ОСТ 92-0762-72 Болты, винты из титановых сплавов
ОСТ 92-1130-85 Детали стальные точные
ОСТ 92-1179-77 Детали и сборочные единицы из сталей марок 07Х16Н6 и 08Х17Н5М3
ОСТ 92-8653-75 по ОСТ 92-8674-75 Соединения трубопроводов по внутреннему конусу
ОСТ-1-33102-80 Взамен нормали 102АТУ Гайки ОСТ-1-33102-80
Отраслевая нормаль 214АТ В замен нормали 214МТ55 метрическая резьбой со свободной посадкой
Отраслевая нормаль 714М55 pdf Кольца плоские ,стопорные технические условия
Отраслевая нормаль авиационной техники 101АТУ Взамен 201СТУ51
2026 «Быстрометиз». Мы не интернет-магазин. Информация о наличии и стоимости продукции не является публичной офертой.
Задайте вопрос нашим специалистам