ОСТ 92-0750-72 Болты ступенчатые с шестигранной головкой

ОСТ 92-0750-72 болты ступенчатые с ШЕСТИГРАННой головкой 

Болты ОСТ 92-0750-72 - это особый крепеж, которым можно соединять сразу несколько деталей, закрепляя их гайками. Используются вместе с гайками (шестигранными, квадратными, приварными). Для более прочного соединения могут применяться шайбы (гроверы).

Конструкция и технические особенности

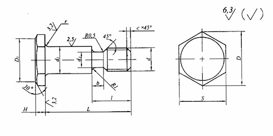
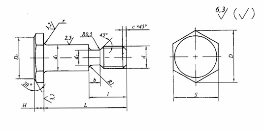
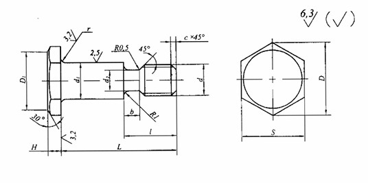
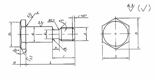
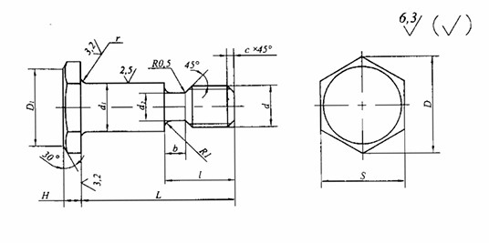
Конструкция болта состоит из шестигранной головки и цилиндрического ступенчатого стержня с резьбой.

Материал изготовления должен быть пруток ВТ14-ОСТ 1 90173-75.

Для использования болтов в агрессивной среде применяют различные виды покрытий - цинк, хром, никель, наносимые разнообразными способами.

ОСТ 92-0750-72.pdf

Пример условного обозначения болта с шестигранной головкой диаметром резьбы d=12мм, с шагом резьбы 1,5мм, длиной L=50мм из материала с условной маркировкой 61:

Болт М12х1,5х50-61-ОСТ 92-0749-72

Болт
Наименование метиза
М12
Диаметр резьбы
1,5
Шаг резьбы
50
Длина
61
Условная маркировка материала
ОСТ 92-0750-72
Нормативно-технический документ

ПРИМЕНЕНИЕ

Данные болты применяются во многих отраслях промышленности. Высокий спрос на изделие в машиностроении и строительстве, где такие болты используют для надежного крепления массивных деталей и металлических конструкций.

АНАЛОГИ

ОСТ/ГОСТНормальНаименованиеТипоразмерНа складе
ОСТ 92-0750-72БолтМ6х14В наличии
ОСТ 92-0750-72БолтМ6х16В наличии
ОСТ 92-0750-72БолтМ6х18В наличии
ОСТ 92-0750-72БолтМ6х20В наличии
ОСТ 92-0750-72БолтМ6х22В наличии
ОСТ 92-0750-72БолтМ6х24В наличии
ОСТ 92-0750-72БолтМ6х26В наличии
ОСТ 92-0750-72БолтМ6х28В наличии
ОСТ 92-0750-72БолтМ6х30В наличии
ОСТ 92-0750-72БолтМ6х32В наличии
ОСТ 92-0750-72БолтМ6х34В наличии
ОСТ 92-0750-72БолтМ6х36В наличии
ОСТ 92-0750-72БолтМ6х38В наличии
ОСТ 92-0750-72БолтМ6х40В наличии
ОСТ 92-0750-72БолтМ6х42В наличии
ОСТ 92-0750-72БолтМ6х44В наличии
ОСТ 92-0750-72БолтМ6х46В наличии
ОСТ 92-0750-72БолтМ6х48В наличии
ОСТ 92-0750-72БолтМ6х50В наличии
ОСТ 92-0750-72БолтМ8х18В наличии
ОСТ 92-0750-72БолтМ8х20В наличии
ОСТ 92-0750-72БолтМ8х22В наличии
ОСТ 92-0750-72БолтМ8х24В наличии
ОСТ 92-0750-72БолтМ8х26В наличии
ОСТ 92-0750-72БолтМ8х28В наличии
ОСТ 92-0750-72БолтМ8х30В наличии
ОСТ 92-0750-72БолтМ8х32В наличии
ОСТ 92-0750-72БолтМ8х34В наличии
ОСТ 92-0750-72БолтМ8х36В наличии
ОСТ 92-0750-72БолтМ8х38В наличии
ОСТ 92-0750-72БолтМ8х40В наличии
ОСТ 92-0750-72БолтМ8х42В наличии
ОСТ 92-0750-72БолтМ8х44В наличии
ОСТ 92-0750-72БолтМ8х46В наличии
ОСТ 92-0750-72БолтМ8х48В наличии
ОСТ 92-0750-72БолтМ8х50В наличии
ОСТ 92-0750-72БолтМ10х18В наличии
ОСТ 92-0750-72БолтМ10х20В наличии
ОСТ 92-0750-72БолтМ10х22В наличии
ОСТ 92-0750-72БолтМ10х24В наличии
ОСТ 92-0750-72БолтМ10х26В наличии
ОСТ 92-0750-72БолтМ10х28В наличии
ОСТ 92-0750-72БолтМ10х30В наличии
ОСТ 92-0750-72БолтМ10х32В наличии
ОСТ 92-0750-72БолтМ10х34В наличии
ОСТ 92-0750-72БолтМ10х36В наличии
ОСТ 92-0750-72БолтМ10х38В наличии
ОСТ 92-0750-72БолтМ10х40В наличии
ОСТ 92-0750-72БолтМ10х42В наличии
ОСТ 92-0750-72БолтМ10х44В наличии
ОСТ 92-0750-72БолтМ10х46В наличии
ОСТ 92-0750-72БолтМ10х48В наличии
ОСТ 92-0750-72БолтМ10х50В наличии
ОСТ 92-0750-72БолтМ12,5х1,5х24В наличии
ОСТ 92-0750-72БолтМ12,5х1,5х26В наличии
ОСТ 92-0750-72БолтМ12,5х1,5х28В наличии
ОСТ 92-0750-72БолтМ12,5х1,5х30В наличии
ОСТ 92-0750-72БолтМ12,5х1,5х32В наличии
ОСТ 92-0750-72БолтМ12,5х1,5х34В наличии
ОСТ 92-0750-72БолтМ12,5х1,5х36В наличии
ОСТ 92-0750-72БолтМ12,5х1,5х38В наличии
ОСТ 92-0750-72БолтМ12,5х1,5х40В наличии
ОСТ 92-0750-72БолтМ12,5х1,5х42В наличии
ОСТ 92-0750-72БолтМ12,5х1,5х44В наличии
ОСТ 92-0750-72БолтМ12,5х1,5х46В наличии
ОСТ 92-0750-72БолтМ12,5х1,5х48В наличии
ОСТ 92-0750-72БолтМ12,5х1,5х50В наличии
ОСТ 92-0750-72БолтМ12,5х1,5х55В наличии
ОСТ 92-0750-72БолтМ12,5х1,5х54В наличии
ОСТ 92-0750-72БолтМ12,5х1,5х56В наличии
ОСТ 92-0750-72БолтМ14х1,5х42В наличии
ОСТ 92-0750-72БолтМ14х1,5х44В наличии
ОСТ 92-0750-72БолтМ14х1,5х46В наличии
ОСТ 92-0750-72БолтМ14х1,5х48В наличии
ОСТ 92-0750-72БолтМ14х1,5х50В наличии
ОСТ 92-0750-72БолтМ14х1,5х52В наличии
ОСТ 92-0750-72БолтМ14х1,5х54В наличии
ОСТ 92-0750-72БолтМ14х1,5х56В наличии

Для изготовителей и поставщиков: Добавить мои товары в базу

Для покупателей: Подать заявку на покупку

НаименованиеТипоразмерМатериалКоличество, штВес, кг
Болт ОСТ 92-0750-72
О

ОСТ 1 30055-84 Накатка кольцевая стержней болт-заклепок из титанового сплава

ОСТ 1 31076-80 Маркировка крепежных изделий взамен НОРМАЛЬ 176АТ

ОСТ 1 31076-80: Маркировка крепежных изделий (взамен НОРМАЛЬ 176АТ)

ОСТ 1 38016-80 Футорки

ОСТ 1 38020-82 Втулки

ОСТ 1 39502-77 Стопорение болтов, винтов, шпилек, штифтов и гаек

ОСТ 1 39503-77 Длины болтов и винтов

ОСТ 1 39504-79 Головки шестигранные болтов и винтов

ОСТ 1 41471-79 Формообразование концов труб тяг управления из сплава Д16Т. Типовой технологический процесс

ОСТ 1 51730-79 Оснастка для формообразования концов труб тяг управления из сплава Д16Т

ОСТ 1 51731-79 Оснастка для формообразования концов труб тяг управления из сплава Д16Т

ОСТ 1.41001-79 Диаметры отверстий под нарезание резьбы метрической по нормали 754АТ

ОСТ 1.41002-79 Диаметры стержней под нарезание резьбы метрической по нормали 754АТ и ОСТ 1.00039-73

ОСТ 92-0762-72 Болты, винты из титановых сплавов

ОСТ 92-0912-69 Детали из высокопрочных углеродистых легированных и высоколегированных сталей. ОСТ 92-0912-69

ОСТ 92-1130-85 Детали стальные точные

ОСТ 92-1179-77 Детали и сборочные единицы из сталей марок 07Х16Н6 и 08Х17Н5М3

ОСТ 92-8653-75 по ОСТ 92-8674-75 Соединения трубопроводов по внутреннему конусу

ОСТ-1-33102-80 Взамен нормали 102АТУ Гайки ОСТ-1-33102-80

Отраслевая нормаль 214АТ В замен нормали 214МТ55 метрическая резьбой со свободной посадкой

Отраслевая нормаль 714М55 pdf Кольца плоские ,стопорные технические условия

Отраслевая нормаль авиационной техники 101АТУ Взамен 201СТУ51

Отраслевая нормаль авиационной техники. Нормаль 722АТ.

Р

РЕЗЬБА МЕТРИЧЕСКАЯ

Резьба метрическая усиленная тугой посадкой сталь в алюминиевые и магниевые сплавы. Нормаль 254АТ взамен нормальный 154МТ46

Резьба метрическая. Основные размеры и допуски. Отраслевая нормаль 257АТ взамен 57АТ50 взамен 153МТ54.

РЕЗЬБА ТРАПЕЦЕИДАЛЬНАЯ

РЕЗЬБА ТРУБНАЯ ЦИЛИНДРИЧЕСКАЯ

РЕЗЬБА УПОРНАЯ

Резьба усиленная метрическая тугой посадкой сталь сталь система вала настоящая норма распространяется на резьбу усиленную метрическую тугой посадкой для сопрягаемых материалов сталь в сталь. Нормаль 122МТ53 взамен нормали 122МТ51

Резьба усиленная метрическая тугой посадкой сталь сталь система вала настоящая норма распространяется на резьбу усиленную метрическую тугой посадкой для сопрягаемых материалов сталь в сталь. Нормаль 122МТ53 взамен нормали 122МТ51

Резьбовые соединения. Резьба метрическая с натягом по посадкам 2Н5Д и 2Н5С Отраслевой стандарт ОСТ 1 04065–92

Оформите заказ или получите консультацию