ОСТ 92-0758-72 Винты с плосковыпуклой головкой

ОСТ 92-0758-72 Винты с плосковыпуклой головкой

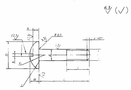
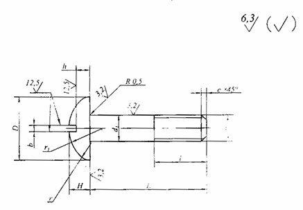
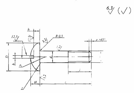
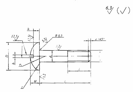
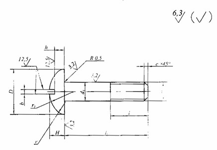
Винты  ОСТ 92-0758-72 - это специальный крепеж, так как имеют плосковыпуклую головку и стержень, ими можно соединять сразу несколько деталей, закрепляя их гайками. Используются вместе с гайками (шестигранными, квадратными, приварными). Для более прочного соединения могут применяться шайбы (гроверы). 

Конструкция и технические особенности

Конструкция винта состоит из плосковыпуклой головки и цилиндрического стержня.

Материал изготовления: пруток ВТ14, ОТ4, ВТ1.

Для использования винтов в агрессивной среде применяют различные виды покрытий - цинк, хром, никель, наносимые разнообразными способами.

ОСТ 92-0758-72.pdf

Пример условного обозначения винта с полукруглой головкой диаметром резьбы d=5мм, длиной L=50мм из материала с условной маркировкой 61:

Винт М5х50-61-ОСТ 92-0758-72

Винт
Наименование метиза
5
Диаметр резьбы
50
Длина
60
Материал
ОСТ 92-0758-72
Нормативно-технический документ

ПРИМЕНЕНИЕ

Данные винты применяются во многих отраслях промышленности. Высокий спрос на изделие в машиностроении и строительстве, где такие болты используют для надежного крепления массивных деталей и металлических конструкций.

АНАЛОГИ

ОСТ/ГОСТНормальНаименованиеТипоразмерНа складе
ОСТ 92-0758-72ВинтМ4х10В наличии
ОСТ 92-0758-72ВинтМ4х12В наличии
ОСТ 92-0758-72ВинтМ4х14В наличии
ОСТ 92-0758-72ВинтМ4х16В наличии
ОСТ 92-0758-72ВинтМ4х18В наличии
ОСТ 92-0758-72ВинтМ4х20В наличии
ОСТ 92-0758-72ВинтМ4х22В наличии
ОСТ 92-0758-72ВинтМ4х24В наличии
ОСТ 92-0758-72ВинтМ4х26В наличии
ОСТ 92-0758-72ВинтМ4х28В наличии
ОСТ 92-0758-72ВинтМ4х30В наличии
ОСТ 92-0758-72ВинтМ4х32В наличии
ОСТ 92-0758-72ВинтМ4х34В наличии
ОСТ 92-0758-72ВинтМ5х14В наличии
ОСТ 92-0758-72ВинтМ5х16В наличии
ОСТ 92-0758-72ВинтМ5х18В наличии
ОСТ 92-0758-72ВинтМ5х20В наличии
ОСТ 92-0758-72ВинтМ5х22В наличии
ОСТ 92-0758-72ВинтМ5х24В наличии
ОСТ 92-0758-72ВинтМ5х26В наличии
ОСТ 92-0758-72ВинтМ5х28В наличии
ОСТ 92-0758-72ВинтМ5х30В наличии
ОСТ 92-0758-72ВинтМ5х32В наличии
ОСТ 92-0758-72ВинтМ5х34В наличии
ОСТ 92-0758-72ВинтМ5х36В наличии
ОСТ 92-0758-72ВинтМ5х38В наличии
ОСТ 92-0758-72ВинтМ5х40В наличии
ОСТ 92-0758-72ВинтМ5х42В наличии
ОСТ 92-0758-72ВинтМ5х44В наличии
ОСТ 92-0758-72ВинтМ5х46В наличии
ОСТ 92-0758-72ВинтМ5х48В наличии
ОСТ 92-0758-72ВинтМ5х50В наличии

Для изготовителей и поставщиков: Добавить мои товары в базу

Для покупателей: Подать заявку на покупку

НаименованиеТипоразмерМатериалКоличество, штВес, кг
Винт ОСТ 92-0758-72
О

ОСТ 1 30055-84 Накатка кольцевая стержней болт-заклепок из титанового сплава

ОСТ 1 31076-80 Маркировка крепежных изделий взамен НОРМАЛЬ 176АТ

ОСТ 1 31076-80: Маркировка крепежных изделий (взамен НОРМАЛЬ 176АТ)

ОСТ 1 38016-80 Футорки

ОСТ 1 38020-82 Втулки

ОСТ 1 39502-77 Стопорение болтов, винтов, шпилек, штифтов и гаек

ОСТ 1 39503-77 Длины болтов и винтов

ОСТ 1 39504-79 Головки шестигранные болтов и винтов

ОСТ 1 41471-79 Формообразование концов труб тяг управления из сплава Д16Т. Типовой технологический процесс

ОСТ 1 51730-79 Оснастка для формообразования концов труб тяг управления из сплава Д16Т

ОСТ 1 51731-79 Оснастка для формообразования концов труб тяг управления из сплава Д16Т

ОСТ 1.41001-79 Диаметры отверстий под нарезание резьбы метрической по нормали 754АТ

ОСТ 1.41002-79 Диаметры стержней под нарезание резьбы метрической по нормали 754АТ и ОСТ 1.00039-73

ОСТ 92-0762-72 Болты, винты из титановых сплавов

ОСТ 92-0912-69 Детали из высокопрочных углеродистых легированных и высоколегированных сталей. ОСТ 92-0912-69

ОСТ 92-1130-85 Детали стальные точные

ОСТ 92-1179-77 Детали и сборочные единицы из сталей марок 07Х16Н6 и 08Х17Н5М3

ОСТ 92-8653-75 по ОСТ 92-8674-75 Соединения трубопроводов по внутреннему конусу

ОСТ-1-33102-80 Взамен нормали 102АТУ Гайки ОСТ-1-33102-80

Отраслевая нормаль 214АТ В замен нормали 214МТ55 метрическая резьбой со свободной посадкой

Отраслевая нормаль 714М55 pdf Кольца плоские ,стопорные технические условия

Отраслевая нормаль авиационной техники 101АТУ Взамен 201СТУ51

Отраслевая нормаль авиационной техники. Нормаль 722АТ.

Р

РЕЗЬБА МЕТРИЧЕСКАЯ

Резьба метрическая усиленная тугой посадкой сталь в алюминиевые и магниевые сплавы. Нормаль 254АТ взамен нормальный 154МТ46

Резьба метрическая. Основные размеры и допуски. Отраслевая нормаль 257АТ взамен 57АТ50 взамен 153МТ54.

РЕЗЬБА ТРАПЕЦЕИДАЛЬНАЯ

РЕЗЬБА ТРУБНАЯ ЦИЛИНДРИЧЕСКАЯ

РЕЗЬБА УПОРНАЯ

Резьба усиленная метрическая тугой посадкой сталь сталь система вала настоящая норма распространяется на резьбу усиленную метрическую тугой посадкой для сопрягаемых материалов сталь в сталь. Нормаль 122МТ53 взамен нормали 122МТ51

Резьба усиленная метрическая тугой посадкой сталь сталь система вала настоящая норма распространяется на резьбу усиленную метрическую тугой посадкой для сопрягаемых материалов сталь в сталь. Нормаль 122МТ53 взамен нормали 122МТ51

Резьбовые соединения. Резьба метрическая с натягом по посадкам 2Н5Д и 2Н5С Отраслевой стандарт ОСТ 1 04065–92

Оформите заказ или получите консультацию