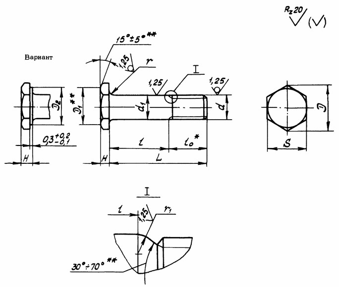
Ост 1 10830-72 болты с уменьшенной шестигранной головкой, с полем допуска диаметра стержня р9 и короткой резьбовой частью, из титанового сплава
Болты по ОСТ 1 10830-72 – это специальный крепеж, предназначенный для эксплуатации в соединениях, работающих на срез, при температуре:
-до 130гр без ограничения ресурса;
-до 200гр, ресурс не более 1000 часов;
-до 300гр, ресурс не более 200 часов.
Взамен 5916А.
КОНСТРУКЦИЯ И ТЕХНИЧЕСКИЕ ОСОБЕННОСТИ
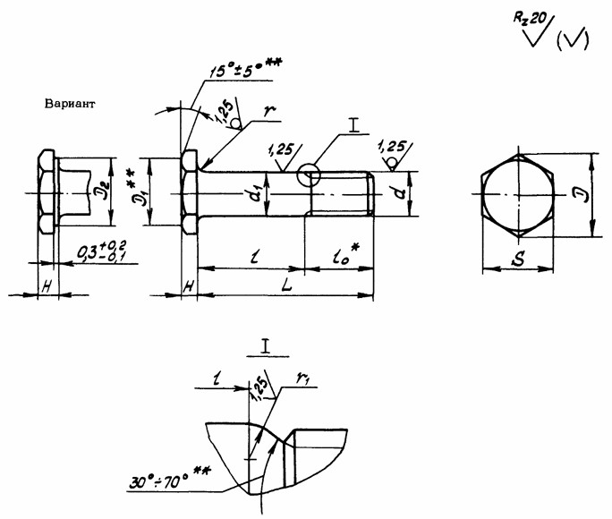
Конструкция болта состоит из уменьшенной шестигранной головки и цилиндрического стержня с короткой резьбовой частью.
Материал изготовления: титановый сплав ВТ16.
Материал покрытия: Ан.Окс 2-3.
Пример наименования и обозначения болта с уменьшенной шестигранной облегченной головкой, с полем допуска диаметра стержня р6 и короткой резьбовой частью, из титанового сплава, с резьбой М6 и длиной L=24мм, анодированного:
Болт 6-24-Ан.Окс-ОСТ 1 10830-72
ПРИМЕНЕНИЕ
Данные болты используются во многих отраслях промышленности.
АНАЛОГИ
Взамен 5916А
| ОСТ/ГОСТ | Нормаль | Наименование | Типоразмер | На складе |
| ОСТ 1 10830-72 | 5916А | Болт | 5х11 | В наличии |
| ОСТ 1 10830-72 | 5916А | Болт | 5х12 | В наличии |
| ОСТ 1 10830-72 | 5916А | Болт | 5х13 | В наличии |
| ОСТ 1 10830-72 | 5916А | Болт | 5х14 | В наличии |
| ОСТ 1 10830-72 | 5916А | Болт | 5х15 | В наличии |
| ОСТ 1 10830-72 | 5916А | Болт | 5х16 | В наличии |
| ОСТ 1 10830-72 | 5916А | Болт | 5х17 | В наличии |
| ОСТ 1 10830-72 | 5916А | Болт | 5х18 | В наличии |
| ОСТ 1 10830-72 | 5916А | Болт | 5х19 | В наличии |
| ОСТ 1 10830-72 | 5916А | Болт | 5х20 | В наличии |
| ОСТ 1 10830-72 | 5916А | Болт | 5х21 | В наличии |
| ОСТ 1 10830-72 | 5916А | Болт | 5х22 | В наличии |
| ОСТ 1 10830-72 | 5916А | Болт | 5х23 | В наличии |
| ОСТ 1 10830-72 | 5916А | Болт | 5х24 | В наличии |
| ОСТ 1 10830-72 | 5916А | Болт | 5х25 | В наличии |
| ОСТ 1 10830-72 | 5916А | Болт | 5х26 | В наличии |
| ОСТ 1 10830-72 | 5916А | Болт | 5х27 | В наличии |
| ОСТ 1 10830-72 | 5916А | Болт | 5х28 | В наличии |
| ОСТ 1 10830-72 | 5916А | Болт | 5х29 | В наличии |
| ОСТ 1 10830-72 | 5916А | Болт | 5х30 | В наличии |
| ОСТ 1 10830-72 | 5916А | Болт | 5х31 | В наличии |
| ОСТ 1 10830-72 | 5916А | Болт | 5х32 | В наличии |
| ОСТ 1 10830-72 | 5916А | Болт | 5х33 | В наличии |
| ОСТ 1 10830-72 | 5916А | Болт | 5х34 | В наличии |
| ОСТ 1 10830-72 | 5916А | Болт | 5х35 | В наличии |
| ОСТ 1 10830-72 | 5916А | Болт | 5х36 | В наличии |
| ОСТ 1 10830-72 | 5916А | Болт | 5х37 | В наличии |
| ОСТ 1 10830-72 | 5916А | Болт | 5х38 | В наличии |
| ОСТ 1 10830-72 | 5916А | Болт | 5х40 | В наличии |
| ОСТ 1 10830-72 | 5916А | Болт | 5х42 | В наличии |
| ОСТ 1 10830-72 | 5916А | Болт | 5х44 | В наличии |
| ОСТ 1 10830-72 | 5916А | Болт | 5х46 | В наличии |
| ОСТ 1 10830-72 | 5916А | Болт | 5х48 | В наличии |
| ОСТ 1 10830-72 | 5916А | Болт | 5х50 | В наличии |
| ОСТ 1 10830-72 | 5916А | Болт | 6х12 | В наличии |
| ОСТ 1 10830-72 | 5916А | Болт | 6х13 | В наличии |
| ОСТ 1 10830-72 | 5916А | Болт | 6х14 | В наличии |
| ОСТ 1 10830-72 | 5916А | Болт | 6х15 | В наличии |
| ОСТ 1 10830-72 | 5916А | Болт | 6х16 | В наличии |
| ОСТ 1 10830-72 | 5916А | Болт | 6х17 | В наличии |
| ОСТ 1 10830-72 | 5916А | Болт | 6х18 | В наличии |
| ОСТ 1 10830-72 | 5916А | Болт | 6х19 | В наличии |
| ОСТ 1 10830-72 | 5916А | Болт | 6х20 | В наличии |
| ОСТ 1 10830-72 | 5916А | Болт | 6х21 | В наличии |
| ОСТ 1 10830-72 | 5916А | Болт | 6х22 | В наличии |
| ОСТ 1 10830-72 | 5916А | Болт | 6х23 | В наличии |
| ОСТ 1 10830-72 | 5916А | Болт | 6х24 | В наличии |
| ОСТ 1 10830-72 | 5916А | Болт | 6х25 | В наличии |
| ОСТ 1 10830-72 | 5916А | Болт | 6х26 | В наличии |
| ОСТ 1 10830-72 | 5916А | Болт | 6х27 | В наличии |
| ОСТ 1 10830-72 | 5916А | Болт | 6х28 | В наличии |
| ОСТ 1 10830-72 | 5916А | Болт | 6х29 | В наличии |
| ОСТ 1 10830-72 | 5916А | Болт | 6х30 | В наличии |
| ОСТ 1 10830-72 | 5916А | Болт | 6х31 | В наличии |
| ОСТ 1 10830-72 | 5916А | Болт | 6х32 | В наличии |
| ОСТ 1 10830-72 | 5916А | Болт | 6х33 | В наличии |
| ОСТ 1 10830-72 | 5916А | Болт | 6х34 | В наличии |
| ОСТ 1 10830-72 | 5916А | Болт | 6х35 | В наличии |
| ОСТ 1 10830-72 | 5916А | Болт | 6х36 | В наличии |
| ОСТ 1 10830-72 | 5916А | Болт | 6х37 | В наличии |
| ОСТ 1 10830-72 | 5916А | Болт | 6х38 | В наличии |
| ОСТ 1 10830-72 | 5916А | Болт | 6х39 | В наличии |
| ОСТ 1 10830-72 | 5916А | Болт | 6х40 | В наличии |
| ОСТ 1 10830-72 | 5916А | Болт | 6х42 | В наличии |
| ОСТ 1 10830-72 | 5916А | Болт | 6х44 | В наличии |
| ОСТ 1 10830-72 | 5916А | Болт | 6х46 | В наличии |
| ОСТ 1 10830-72 | 5916А | Болт | 6х48 | В наличии |
| ОСТ 1 10830-72 | 5916А | Болт | 6х50 | В наличии |
| ОСТ 1 10830-72 | 5916А | Болт | 6х52 | В наличии |
| ОСТ 1 10830-72 | 5916А | Болт | 6х54 | В наличии |
| ОСТ 1 10830-72 | 5916А | Болт | 6х56 | В наличии |
| ОСТ 1 10830-72 | 5916А | Болт | 6х58 | В наличии |
| ОСТ 1 10830-72 | 5916А | Болт | 6х60 | В наличии |
| ОСТ 1 10830-72 | 5916А | Болт | 8х15 | В наличии |
| ОСТ 1 10830-72 | 5916А | Болт | 8х16 | В наличии |
| ОСТ 1 10830-72 | 5916А | Болт | 8х17 | В наличии |
| ОСТ 1 10830-72 | 5916А | Болт | 8х18 | В наличии |
| ОСТ 1 10830-72 | 5916А | Болт | 8х19 | В наличии |
| ОСТ 1 10830-72 | 5916А | Болт | 8х20 | В наличии |
| ОСТ 1 10830-72 | 5916А | Болт | 8х21 | В наличии |
| ОСТ 1 10830-72 | 5916А | Болт | 8х22 | В наличии |
| ОСТ 1 10830-72 | 5916А | Болт | 8х23 | В наличии |
| ОСТ 1 10830-72 | 5916А | Болт | 8х24 | В наличии |
| ОСТ 1 10830-72 | 5916А | Болт | 8х25 | В наличии |
| ОСТ 1 10830-72 | 5916А | Болт | 8х26 | В наличии |
| ОСТ 1 10830-72 | 5916А | Болт | 8х27 | В наличии |
| ОСТ 1 10830-72 | 5916А | Болт | 8х28 | В наличии |
| ОСТ 1 10830-72 | 5916А | Болт | 8х29 | В наличии |
| ОСТ 1 10830-72 | 5916А | Болт | 8х30 | В наличии |
| ОСТ 1 10830-72 | 5916А | Болт | 8х31 | В наличии |
| ОСТ 1 10830-72 | 5916А | Болт | 8х32 | В наличии |
| ОСТ 1 10830-72 | 5916А | Болт | 8х33 | В наличии |
| ОСТ 1 10830-72 | 5916А | Болт | 8х34 | В наличии |
| ОСТ 1 10830-72 | 5916А | Болт | 8х35 | В наличии |
| ОСТ 1 10830-72 | 5916А | Болт | 8х36 | В наличии |
| ОСТ 1 10830-72 | 5916А | Болт | 8х37 | В наличии |
| ОСТ 1 10830-72 | 5916А | Болт | 8х38 | В наличии |
| ОСТ 1 10830-72 | 5916А | Болт | 8х39 | В наличии |
| ОСТ 1 10830-72 | 5916А | Болт | 8х40 | В наличии |
| ОСТ 1 10830-72 | 5916А | Болт | 8х41 | В наличии |
| ОСТ 1 10830-72 | 5916А | Болт | 8х42 | В наличии |
| ОСТ 1 10830-72 | 5916А | Болт | 8х44 | В наличии |
| ОСТ 1 10830-72 | 5916А | Болт | 8х46 | В наличии |
| ОСТ 1 10830-72 | 5916А | Болт | 8х48 | В наличии |
| ОСТ 1 10830-72 | 5916А | Болт | 8х50 | В наличии |
| ОСТ 1 10830-72 | 5916А | Болт | 8х52 | В наличии |
| ОСТ 1 10830-72 | 5916А | Болт | 8х54 | В наличии |
| ОСТ 1 10830-72 | 5916А | Болт | 8х56 | В наличии |
| ОСТ 1 10830-72 | 5916А | Болт | 8х58 | В наличии |
| ОСТ 1 10830-72 | 5916А | Болт | 8х60 | В наличии |
| ОСТ 1 10830-72 | 5916А | Болт | 8х62 | В наличии |
| ОСТ 1 10830-72 | 5916А | Болт | 8х64 | В наличии |
| ОСТ 1 10830-72 | 5916А | Болт | 8х66 | В наличии |
| ОСТ 1 10830-72 | 5916А | Болт | 8х68 | В наличии |
| ОСТ 1 10830-72 | 5916А | Болт | 8х70 | В наличии |
| ОСТ 1 10830-72 | 5916А | Болт | 8х72 | В наличии |
| ОСТ 1 10830-72 | 5916А | Болт | 8х74 | В наличии |
| ОСТ 1 10830-72 | 5916А | Болт | 8х76 | В наличии |
| ОСТ 1 10830-72 | 5916А | Болт | 8х78 | В наличии |
| ОСТ 1 10830-72 | 5916А | Болт | 8х80 | В наличии |
| ОСТ 1 10830-72 | 5916А | Болт | 10х18 | В наличии |
| ОСТ 1 10830-72 | 5916А | Болт | 10х19 | В наличии |
| ОСТ 1 10830-72 | 5916А | Болт | 10х20 | В наличии |
| ОСТ 1 10830-72 | 5916А | Болт | 10х21 | В наличии |
| ОСТ 1 10830-72 | 5916А | Болт | 10х22 | В наличии |
| ОСТ 1 10830-72 | 5916А | Болт | 10х23 | В наличии |
| ОСТ 1 10830-72 | 5916А | Болт | 10х24 | В наличии |
| ОСТ 1 10830-72 | 5916А | Болт | 10х25 | В наличии |
| ОСТ 1 10830-72 | 5916А | Болт | 10х26 | В наличии |
| ОСТ 1 10830-72 | 5916А | Болт | 10х27 | В наличии |
| ОСТ 1 10830-72 | 5916А | Болт | 10х28 | В наличии |
| ОСТ 1 10830-72 | 5916А | Болт | 10х29 | В наличии |
| ОСТ 1 10830-72 | 5916А | Болт | 10х30 | В наличии |
| ОСТ 1 10830-72 | 5916А | Болт | 10х31 | В наличии |
| ОСТ 1 10830-72 | 5916А | Болт | 10х32 | В наличии |
| ОСТ 1 10830-72 | 5916А | Болт | 10х33 | В наличии |
| ОСТ 1 10830-72 | 5916А | Болт | 10х34 | В наличии |
| ОСТ 1 10830-72 | 5916А | Болт | 10х35 | В наличии |
| ОСТ 1 10830-72 | 5916А | Болт | 10х36 | В наличии |
| ОСТ 1 10830-72 | 5916А | Болт | 10х37 | В наличии |
| ОСТ 1 10830-72 | 5916А | Болт | 10х38 | В наличии |
| ОСТ 1 10830-72 | 5916А | Болт | 10х39 | В наличии |
| ОСТ 1 10830-72 | 5916А | Болт | 10х40 | В наличии |
| ОСТ 1 10830-72 | 5916А | Болт | 10х41 | В наличии |
| ОСТ 1 10830-72 | 5916А | Болт | 10х42 | В наличии |
| ОСТ 1 10830-72 | 5916А | Болт | 10х43 | В наличии |
| ОСТ 1 10830-72 | 5916А | Болт | 10х44 | В наличии |
| ОСТ 1 10830-72 | 5916А | Болт | 10х46 | В наличии |
| ОСТ 1 10830-72 | 5916А | Болт | 10х48 | В наличии |
| ОСТ 1 10830-72 | 5916А | Болт | 10х50 | В наличии |
| ОСТ 1 10830-72 | 5916А | Болт | 10х52 | В наличии |
| ОСТ 1 10830-72 | 5916А | Болт | 10х54 | В наличии |
| ОСТ 1 10830-72 | 5916А | Болт | 10х56 | В наличии |
| ОСТ 1 10830-72 | 5916А | Болт | 10х58 | В наличии |
| ОСТ 1 10830-72 | 5916А | Болт | 10х60 | В наличии |
| ОСТ 1 10830-72 | 5916А | Болт | 10х62 | В наличии |
| ОСТ 1 10830-72 | 5916А | Болт | 10х64 | В наличии |
| ОСТ 1 10830-72 | 5916А | Болт | 10х66 | В наличии |
| ОСТ 1 10830-72 | 5916А | Болт | 10х68 | В наличии |
| ОСТ 1 10830-72 | 5916А | Болт | 10х70 | В наличии |
| ОСТ 1 10830-72 | 5916А | Болт | 10х72 | В наличии |
| ОСТ 1 10830-72 | 5916А | Болт | 10х74 | В наличии |
| ОСТ 1 10830-72 | 5916А | Болт | 10х76 | В наличии |
| ОСТ 1 10830-72 | 5916А | Болт | 10х78 | В наличии |
| ОСТ 1 10830-72 | 5916А | Болт | 10х80 | В наличии |
| ОСТ 1 10830-72 | 5916А | Болт | 10х82 | В наличии |
| ОСТ 1 10830-72 | 5916А | Болт | 10х84 | В наличии |
| ОСТ 1 10830-72 | 5916А | Болт | 10х86 | В наличии |
| ОСТ 1 10830-72 | 5916А | Болт | 10х88 | В наличии |
| ОСТ 1 10830-72 | 5916А | Болт | 10х90 | В наличии |
| ОСТ 1 10830-72 | 5916А | Болт | 10х92 | В наличии |
| ОСТ 1 10830-72 | 5916А | Болт | 10х94 | В наличии |
| ОСТ 1 10830-72 | 5916А | Болт | 10х96 | В наличии |
| ОСТ 1 10830-72 | 5916А | Болт | 10х98 | В наличии |
| ОСТ 1 10830-72 | 5916А | Болт | 10х100 | В наличии |
| ОСТ 1 10830-72 | 5916А | Болт | 12х1,5х21 | В наличии |
| ОСТ 1 10830-72 | 5916А | Болт | 12х1,5х22 | В наличии |
| ОСТ 1 10830-72 | 5916А | Болт | 12х1,5х23 | В наличии |
| ОСТ 1 10830-72 | 5916А | Болт | 12х1,5х24 | В наличии |
| ОСТ 1 10830-72 | 5916А | Болт | 12х1,5х25 | В наличии |
| ОСТ 1 10830-72 | 5916А | Болт | 12х1,5х26 | В наличии |
| ОСТ 1 10830-72 | 5916А | Болт | 12х1,5х27 | В наличии |
| ОСТ 1 10830-72 | 5916А | Болт | 12х1,5х28 | В наличии |
| ОСТ 1 10830-72 | 5916А | Болт | 12х1,5х29 | В наличии |
| ОСТ 1 10830-72 | 5916А | Болт | 12х1,5х30 | В наличии |
| ОСТ 1 10830-72 | 5916А | Болт | 12х1,5х31 | В наличии |
| ОСТ 1 10830-72 | 5916А | Болт | 12х1,5х32 | В наличии |
| ОСТ 1 10830-72 | 5916А | Болт | 12х1,5х33 | В наличии |
| ОСТ 1 10830-72 | 5916А | Болт | 12х1,5х34 | В наличии |
| ОСТ 1 10830-72 | 5916А | Болт | 12х1,5х35 | В наличии |
| ОСТ 1 10830-72 | 5916А | Болт | 12х1,5х36 | В наличии |
| ОСТ 1 10830-72 | 5916А | Болт | 12х1,5х37 | В наличии |
| ОСТ 1 10830-72 | 5916А | Болт | 12х1,5х38 | В наличии |
| ОСТ 1 10830-72 | 5916А | Болт | 12х1,5х39 | В наличии |
| ОСТ 1 10830-72 | 5916А | Болт | 12х1,5х40 | В наличии |
| ОСТ 1 10830-72 | 5916А | Болт | 12х1,5х41 | В наличии |
| ОСТ 1 10830-72 | 5916А | Болт | 12х1,5х42 | В наличии |
| ОСТ 1 10830-72 | 5916А | Болт | 12х1,5х43 | В наличии |
| ОСТ 1 10830-72 | 5916А | Болт | 12х1,5х44 | В наличии |
| ОСТ 1 10830-72 | 5916А | Болт | 12х1,5х45 | В наличии |
| ОСТ 1 10830-72 | 5916А | Болт | 12х1,5х46 | В наличии |
| ОСТ 1 10830-72 | 5916А | Болт | 12х1,5х48 | В наличии |
| ОСТ 1 10830-72 | 5916А | Болт | 12х1,5х50 | В наличии |
| ОСТ 1 10830-72 | 5916А | Болт | 12х1,5х52 | В наличии |
| ОСТ 1 10830-72 | 5916А | Болт | 12х1,5х54 | В наличии |
| ОСТ 1 10830-72 | 5916А | Болт | 12х1,5х56 | В наличии |
| ОСТ 1 10830-72 | 5916А | Болт | 12х1,5х58 | В наличии |
| ОСТ 1 10830-72 | 5916А | Болт | 12х1,5х60 | В наличии |
| ОСТ 1 10830-72 | 5916А | Болт | 12х1,5х62 | В наличии |
| ОСТ 1 10830-72 | 5916А | Болт | 12х1,5х64 | В наличии |
| ОСТ 1 10830-72 | 5916А | Болт | 12х1,5х66 | В наличии |
| ОСТ 1 10830-72 | 5916А | Болт | 12х1,5х68 | В наличии |
| ОСТ 1 10830-72 | 5916А | Болт | 12х1,5х70 | В наличии |
| ОСТ 1 10830-72 | 5916А | Болт | 12х1,5х72 | В наличии |
| ОСТ 1 10830-72 | 5916А | Болт | 12х1,5х74 | В наличии |
| ОСТ 1 10830-72 | 5916А | Болт | 12х1,5х76 | В наличии |
| ОСТ 1 10830-72 | 5916А | Болт | 12х1,5х78 | В наличии |
| ОСТ 1 10830-72 | 5916А | Болт | 12х1,5х80 | В наличии |
| ОСТ 1 10830-72 | 5916А | Болт | 12х1,5х82 | В наличии |
| ОСТ 1 10830-72 | 5916А | Болт | 12х1,5х84 | В наличии |
| ОСТ 1 10830-72 | 5916А | Болт | 12х1,5х86 | В наличии |
| ОСТ 1 10830-72 | 5916А | Болт | 12х1,5х88 | В наличии |
| ОСТ 1 10830-72 | 5916А | Болт | 12х1,5х90 | В наличии |
| ОСТ 1 10830-72 | 5916А | Болт | 12х1,5х92 | В наличии |
| ОСТ 1 10830-72 | 5916А | Болт | 12х1,5х94 | В наличии |
| ОСТ 1 10830-72 | 5916А | Болт | 12х1,5х96 | В наличии |
| ОСТ 1 10830-72 | 5916А | Болт | 12х1,5х98 | В наличии |
| ОСТ 1 10830-72 | 5916А | Болт | 12х1,5х100 | В наличии |
| ОСТ 1 10830-72 | 5916А | Болт | 12х1,5х104 | В наличии |
| ОСТ 1 10830-72 | 5916А | Болт | 12х1,5х108 | В наличии |
| ОСТ 1 10830-72 | 5916А | Болт | 12х1,5х112 | В наличии |
| ОСТ 1 10830-72 | 5916А | Болт | 12х1,5х116 | В наличии |
| ОСТ 1 10830-72 | 5916А | Болт | 12х1,5х120 | В наличии |
| ОСТ 1 10830-72 | 5916А | Болт | 14х1,5х23 | В наличии |
| ОСТ 1 10830-72 | 5916А | Болт | 14х1,5х24 | В наличии |
| ОСТ 1 10830-72 | 5916А | Болт | 14х1,5х25 | В наличии |
| ОСТ 1 10830-72 | 5916А | Болт | 14х1,5х26 | В наличии |
| ОСТ 1 10830-72 | 5916А | Болт | 14х1,5х27 | В наличии |
| ОСТ 1 10830-72 | 5916А | Болт | 14х1,5х28 | В наличии |
| ОСТ 1 10830-72 | 5916А | Болт | 14х1,5х29 | В наличии |
| ОСТ 1 10830-72 | 5916А | Болт | 14х1,5х30 | В наличии |
| ОСТ 1 10830-72 | 5916А | Болт | 14х1,5х31 | В наличии |
| ОСТ 1 10830-72 | 5916А | Болт | 14х1,5х32 | В наличии |
| ОСТ 1 10830-72 | 5916А | Болт | 14х1,5х33 | В наличии |
| ОСТ 1 10830-72 | 5916А | Болт | 14х1,5х34 | В наличии |
| ОСТ 1 10830-72 | 5916А | Болт | 14х1,5х35 | В наличии |
| ОСТ 1 10830-72 | 5916А | Болт | 14х1,5х36 | В наличии |
| ОСТ 1 10830-72 | 5916А | Болт | 14х1,5х37 | В наличии |
| ОСТ 1 10830-72 | 5916А | Болт | 14х1,5х38 | В наличии |
| ОСТ 1 10830-72 | 5916А | Болт | 14х1,5х39 | В наличии |
| ОСТ 1 10830-72 | 5916А | Болт | 14х1,5х40 | В наличии |
| ОСТ 1 10830-72 | 5916А | Болт | 14х1,5х41 | В наличии |
| ОСТ 1 10830-72 | 5916А | Болт | 14х1,5х42 | В наличии |
| ОСТ 1 10830-72 | 5916А | Болт | 14х1,5х43 | В наличии |
| ОСТ 1 10830-72 | 5916А | Болт | 14х1,5х44 | В наличии |
| ОСТ 1 10830-72 | 5916А | Болт | 14х1,5х45 | В наличии |
| ОСТ 1 10830-72 | 5916А | Болт | 14х1,5х46 | В наличии |
| ОСТ 1 10830-72 | 5916А | Болт | 14х1,5х48 | В наличии |
| ОСТ 1 10830-72 | 5916А | Болт | 14х1,5х50 | В наличии |
| ОСТ 1 10830-72 | 5916А | Болт | 14х1,5х52 | В наличии |
| ОСТ 1 10830-72 | 5916А | Болт | 14х1,5х54 | В наличии |
| ОСТ 1 10830-72 | 5916А | Болт | 14х1,5х56 | В наличии |
| ОСТ 1 10830-72 | 5916А | Болт | 14х1,5х58 | В наличии |
| ОСТ 1 10830-72 | 5916А | Болт | 14х1,5х60 | В наличии |
| ОСТ 1 10830-72 | 5916А | Болт | 14х1,5х62 | В наличии |
| ОСТ 1 10830-72 | 5916А | Болт | 14х1,5х64 | В наличии |
| ОСТ 1 10830-72 | 5916А | Болт | 14х1,5х66 | В наличии |
| ОСТ 1 10830-72 | 5916А | Болт | 14х1,5х68 | В наличии |
| ОСТ 1 10830-72 | 5916А | Болт | 14х1,5х70 | В наличии |
| ОСТ 1 10830-72 | 5916А | Болт | 14х1,5х72 | В наличии |
| ОСТ 1 10830-72 | 5916А | Болт | 14х1,5х74 | В наличии |
| ОСТ 1 10830-72 | 5916А | Болт | 14х1,5х76 | В наличии |
| ОСТ 1 10830-72 | 5916А | Болт | 14х1,5х78 | В наличии |
| ОСТ 1 10830-72 | 5916А | Болт | 14х1,5х80 | В наличии |
| ОСТ 1 10830-72 | 5916А | Болт | 14х1,5х82 | В наличии |
| ОСТ 1 10830-72 | 5916А | Болт | 14х1,5х84 | В наличии |
| ОСТ 1 10830-72 | 5916А | Болт | 14х1,5х86 | В наличии |
| ОСТ 1 10830-72 | 5916А | Болт | 14х1,5х88 | В наличии |
| ОСТ 1 10830-72 | 5916А | Болт | 14х1,5х90 | В наличии |
| ОСТ 1 10830-72 | 5916А | Болт | 14х1,5х92 | В наличии |
| ОСТ 1 10830-72 | 5916А | Болт | 14х1,5х94 | В наличии |
| ОСТ 1 10830-72 | 5916А | Болт | 14х1,5х96 | В наличии |
| ОСТ 1 10830-72 | 5916А | Болт | 14х1,5х98 | В наличии |
| ОСТ 1 10830-72 | 5916А | Болт | 14х1,5х100 | В наличии |
| ОСТ 1 10830-72 | 5916А | Болт | 14х1,5х104 | В наличии |
| ОСТ 1 10830-72 | 5916А | Болт | 14х1,5х108 | В наличии |
| ОСТ 1 10830-72 | 5916А | Болт | 14х1,5х112 | В наличии |
| ОСТ 1 10830-72 | 5916А | Болт | 14х1,5х116 | В наличии |
| ОСТ 1 10830-72 | 5916А | Болт | 14х1,5х120 | В наличии |
| ОСТ 1 10830-72 | 5916А | Болт | 14х1,5х124 | В наличии |
| ОСТ 1 10830-72 | 5916А | Болт | 14х1,5х128 | В наличии |
| ОСТ 1 10830-72 | 5916А | Болт | 14х1,5х132 | В наличии |
| ОСТ 1 10830-72 | 5916А | Болт | 14х1,5х136 | В наличии |
| ОСТ 1 10830-72 | 5916А | Болт | 14х1,5х140 | В наличии |
| ОСТ 1 10830-72 | 5916А | Болт | 16х1,5х26 | В наличии |
| ОСТ 1 10830-72 | 5916А | Болт | 16х1,5х27 | В наличии |
| ОСТ 1 10830-72 | 5916А | Болт | 16х1,5х28 | В наличии |
| ОСТ 1 10830-72 | 5916А | Болт | 16х1,5х29 | В наличии |
| ОСТ 1 10830-72 | 5916А | Болт | 16х1,5х30 | В наличии |
| ОСТ 1 10830-72 | 5916А | Болт | 16х1,5х31 | В наличии |
| ОСТ 1 10830-72 | 5916А | Болт | 16х1,5х32 | В наличии |
| ОСТ 1 10830-72 | 5916А | Болт | 16х1,5х33 | В наличии |
| ОСТ 1 10830-72 | 5916А | Болт | 16х1,5х34 | В наличии |
| ОСТ 1 10830-72 | 5916А | Болт | 16х1,5х35 | В наличии |
| ОСТ 1 10830-72 | 5916А | Болт | 16х1,5х36 | В наличии |
| ОСТ 1 10830-72 | 5916А | Болт | 16х1,5х37 | В наличии |
| ОСТ 1 10830-72 | 5916А | Болт | 16х1,5х38 | В наличии |
| ОСТ 1 10830-72 | 5916А | Болт | 16х1,5х39 | В наличии |
| ОСТ 1 10830-72 | 5916А | Болт | 16х1,5х40 | В наличии |
| ОСТ 1 10830-72 | 5916А | Болт | 16х1,5х41 | В наличии |
| ОСТ 1 10830-72 | 5916А | Болт | 16х1,5х42 | В наличии |
| ОСТ 1 10830-72 | 5916А | Болт | 16х1,5х43 | В наличии |
| ОСТ 1 10830-72 | 5916А | Болт | 16х1,5х44 | В наличии |
| ОСТ 1 10830-72 | 5916А | Болт | 16х1,5х45 | В наличии |
| ОСТ 1 10830-72 | 5916А | Болт | 16х1,5х46 | В наличии |
| ОСТ 1 10830-72 | 5916А | Болт | 16х1,5х47 | В наличии |
| ОСТ 1 10830-72 | 5916А | Болт | 16х1,5х48 | В наличии |
| ОСТ 1 10830-72 | 5916А | Болт | 16х1,5х50 | В наличии |
| ОСТ 1 10830-72 | 5916А | Болт | 16х1,5х52 | В наличии |
| ОСТ 1 10830-72 | 5916А | Болт | 16х1,5х54 | В наличии |
| ОСТ 1 10830-72 | 5916А | Болт | 16х1,5х56 | В наличии |
| ОСТ 1 10830-72 | 5916А | Болт | 16х1,5х58 | В наличии |
| ОСТ 1 10830-72 | 5916А | Болт | 16х1,5х60 | В наличии |
| ОСТ 1 10830-72 | 5916А | Болт | 16х1,5х62 | В наличии |
| ОСТ 1 10830-72 | 5916А | Болт | 16х1,5х64 | В наличии |
| ОСТ 1 10830-72 | 5916А | Болт | 16х1,5х66 | В наличии |
| ОСТ 1 10830-72 | 5916А | Болт | 16х1,5х68 | В наличии |
| ОСТ 1 10830-72 | 5916А | Болт | 16х1,5х70 | В наличии |
| ОСТ 1 10830-72 | 5916А | Болт | 16х1,5х72 | В наличии |
| ОСТ 1 10830-72 | 5916А | Болт | 16х1,5х74 | В наличии |
| ОСТ 1 10830-72 | 5916А | Болт | 16х1,5х76 | В наличии |
| ОСТ 1 10830-72 | 5916А | Болт | 16х1,5х78 | В наличии |
| ОСТ 1 10830-72 | 5916А | Болт | 16х1,5х80 | В наличии |
| ОСТ 1 10830-72 | 5916А | Болт | 16х1,5х82 | В наличии |
| ОСТ 1 10830-72 | 5916А | Болт | 16х1,5х84 | В наличии |
| ОСТ 1 10830-72 | 5916А | Болт | 16х1,5х86 | В наличии |
| ОСТ 1 10830-72 | 5916А | Болт | 16х1,5х88 | В наличии |
| ОСТ 1 10830-72 | 5916А | Болт | 16х1,5х90 | В наличии |
| ОСТ 1 10830-72 | 5916А | Болт | 16х1,5х92 | В наличии |
| ОСТ 1 10830-72 | 5916А | Болт | 16х1,5х94 | В наличии |
| ОСТ 1 10830-72 | 5916А | Болт | 16х1,5х96 | В наличии |
| ОСТ 1 10830-72 | 5916А | Болт | 16х1,5х98 | В наличии |
| ОСТ 1 10830-72 | 5916А | Болт | 16х1,5х100 | В наличии |
| ОСТ 1 10830-72 | 5916А | Болт | 16х1,5х104 | В наличии |
| ОСТ 1 10830-72 | 5916А | Болт | 16х1,5х108 | В наличии |
| ОСТ 1 10830-72 | 5916А | Болт | 16х1,5х112 | В наличии |
| ОСТ 1 10830-72 | 5916А | Болт | 16х1,5х116 | В наличии |
| ОСТ 1 10830-72 | 5916А | Болт | 16х1,5х120 | В наличии |
| ОСТ 1 10830-72 | 5916А | Болт | 16х1,5х124 | В наличии |
| ОСТ 1 10830-72 | 5916А | Болт | 16х1,5х128 | В наличии |
| ОСТ 1 10830-72 | 5916А | Болт | 16х1,5х132 | В наличии |
| ОСТ 1 10830-72 | 5916А | Болт | 16х1,5х136 | В наличии |
| ОСТ 1 10830-72 | 5916А | Болт | 16х1,5х140 | В наличии |
| ОСТ 1 10830-72 | 5916А | Болт | 16х1,5х144 | В наличии |
| ОСТ 1 10830-72 | 5916А | Болт | 16х1,5х148 | В наличии |
Для изготовителей и поставщиков: Добавить мои товары в базу
Для покупателей: Подать заявку на покупку
| Наименование | Типоразмер | Материал | Количество, шт | Вес, кг |
| Болт ОСТ 1 10830-72 5916А |
ОСТ 1 30055-84 Накатка кольцевая стержней болт-заклепок из титанового сплава
ОСТ 1 31076-80 Маркировка крепежных изделий взамен НОРМАЛЬ 176АТ
ОСТ 1 31076-80: Маркировка крепежных изделий (взамен НОРМАЛЬ 176АТ)
ОСТ 1 39502-77 Стопорение болтов, винтов, шпилек, штифтов и гаек
ОСТ 1 39503-77 Длины болтов и винтов
ОСТ 1 39504-79 Головки шестигранные болтов и винтов
ОСТ 1 51730-79 Оснастка для формообразования концов труб тяг управления из сплава Д16Т
ОСТ 1 51731-79 Оснастка для формообразования концов труб тяг управления из сплава Д16Т
ОСТ 1.41001-79 Диаметры отверстий под нарезание резьбы метрической по нормали 754АТ
ОСТ 1.41002-79 Диаметры стержней под нарезание резьбы метрической по нормали 754АТ и ОСТ 1.00039-73
ОСТ 92-0762-72 Болты, винты из титановых сплавов
ОСТ 92-1130-85 Детали стальные точные
ОСТ 92-1179-77 Детали и сборочные единицы из сталей марок 07Х16Н6 и 08Х17Н5М3
ОСТ 92-8653-75 по ОСТ 92-8674-75 Соединения трубопроводов по внутреннему конусу
ОСТ 92-8843-77 Крепежные детали повышенного качества
ОСТ-1-33102-80 Взамен нормали 102АТУ Гайки ОСТ-1-33102-80
Отраслевая нормаль 214АТ В замен нормали 214МТ55 метрическая резьбой со свободной посадкой
Отраслевая нормаль 714М55 pdf Кольца плоские ,стопорные технические условия
Отраслевая нормаль авиационной техники 101АТУ Взамен 201СТУ51
2026 «Быстрометиз». Мы не интернет-магазин. Информация о наличии и стоимости продукции не является публичной офертой.
Задайте вопрос нашим специалистам